对数与对数比率放大器LOG100的电流基准温度补偿电路

📅 发布时间:2013-10-06 23:05 👁️ 浏览:0 🏷️ 标签: LOG 100 对数 基准

对数与对数比率放大器LOG100的电流基准温度补偿电路

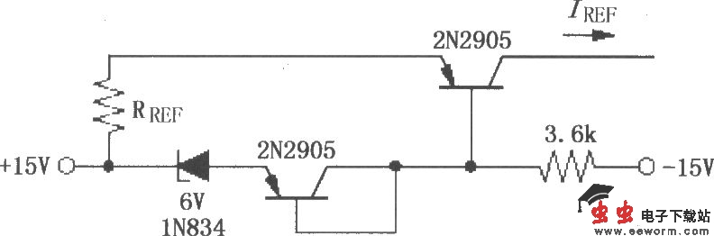
如图所示为LOG100的电流基准温度补偿电路。如果将I2=IREF设置为常数,IREF即为基准电流,则输出电压为VOUT=KlogI1/IREF,IREF=6V/RREF。图中就是外电路产生IREF的电流源电路,电路采用6V齐纳稳压管1N834与三极管2N2905发射结反向串联,温度特性相反进行补偿,提高输出基准电流IREF温度稳定性。

觉得这篇文章有帮助吗?