由宽带跨导型运算放大和缓冲器OPA660构成的视频亮度矩阵电路

📅 发布时间:2013-10-06 23:00 👁️ 浏览:0 🏷️ 标签: OPA 660 宽带 亮度

由宽带跨导型运算放大和缓冲器OPA660构成的视频亮度矩阵电路

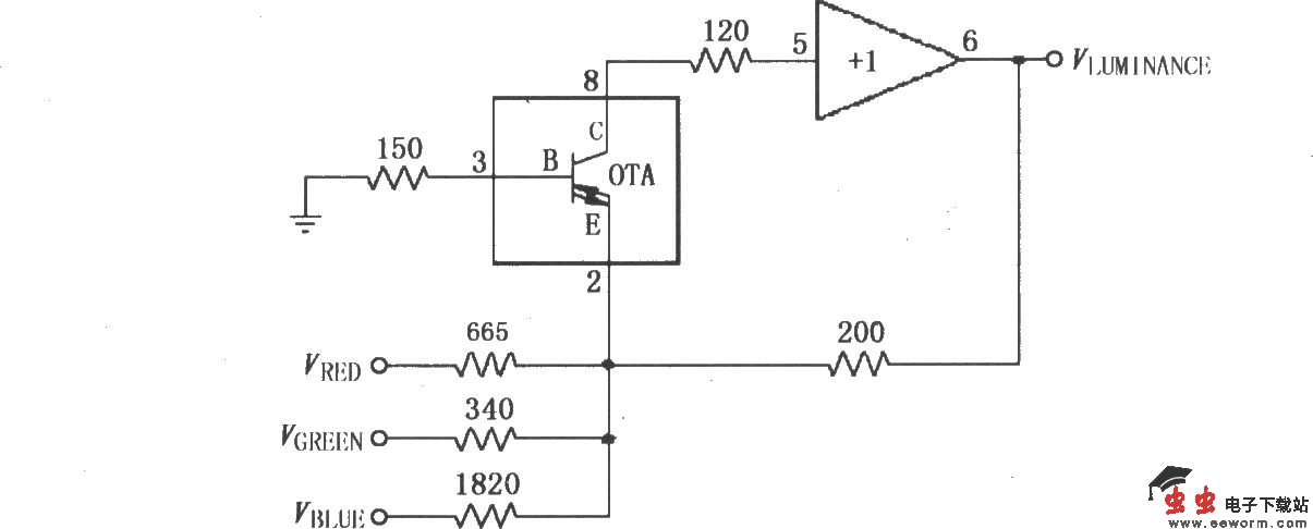
如图所示为由OPA660构成的视频亮度矩阵电路。OPA660构成共基极放大器电路,在其2脚有三路信号输入:红色VRED、绿色VGREEN、蓝色VBLUE,由内部OTA及 1放大器叠加放大后从6脚输出亮度信号VLUMINANCE。三路信号所连接的电阻的精度为1%,产生30%:59%:11%的RGB混合比例。

觉得这篇文章有帮助吗?