由宽带跨导型运算放大和缓冲器OPA660构成的具有两倍输出电流的电

📅 发布时间:2013-10-06 21:45 👁️ 浏览:0 🏷️ 标签: OPA 660 宽带 运算放大

由宽带跨导型运算放大和缓冲器OPA660构成的具有两倍输出电流的电

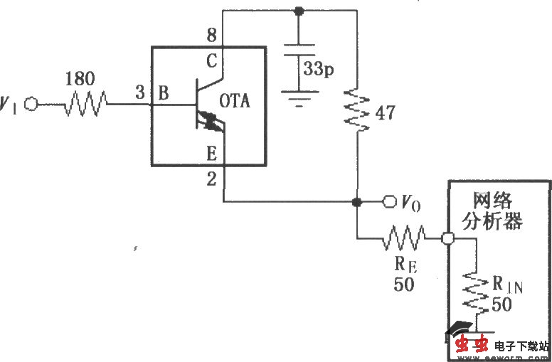
如图所示为由OPA660构成的具有两倍输出电流的电压缓冲电路。该电路实质为OPA660的共集电极(共-C)放大电路,利用共集电极(共-C)放大器电路有电流放大作用,设置图中电阻使OTA 电流增益为2,构成两倍输出电流的电压缓冲器。参数设置见下表。

由宽带跨导型运算放大和缓冲器OPA660构成的具有两倍输出电流的电 

觉得这篇文章有帮助吗?