INA106精密增益差分放大器

📅 发布时间:2013-10-06 13:10 👁️ 浏览:2 🏷️ 标签: INA 106 精密 增益

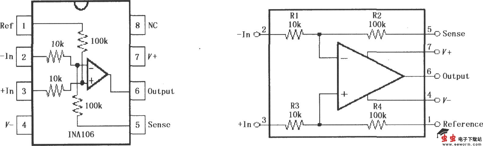
INA106是单片增益G=10的差动放火器,由一个精密运放和金属镀膜电阻组成。INA106提供精密差分放大器的功能,无需昂贵的精密电阻网络,采用8脚塑封DIP、TO-99金属封装、SO-8表面封装,可用于G为 10、-10、 11的差分放人及仪表放火。INA105的引脚排列及内部框图如图所示。

INA106精密增益差分放大器 

觉得这篇文章有帮助吗?