
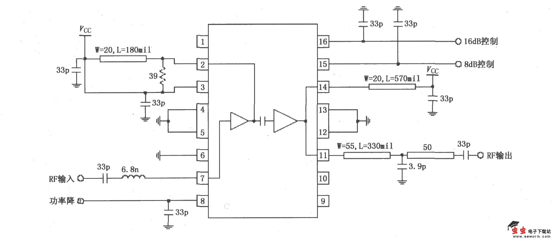
如图所示为由RF2155构成的915MHz功率放大器应用电路。射频信号(RF)由7脚输入,经过前置放大器、末级功率放大器放大后由11脚输出。7脚与内部放大器是直接耦合,因此建议在7脚外加一个UHF隔直耦合电容。由于有4个增益可以设置,所以在输入端串联一个6.8nH电感。末级功率放大器为不匹配集电极晶体管,输出端11脚和14脚在芯片内部已连接,14脚作为末级功率放大器电源供电端,通过这些脚向末级功放提供偏置电流。14脚也作为二次谐波的滤波电路,能有效地短接二次谐波,采用约500mils传输线作为电感与33pF电容构成滤波器(在靠近Vcc处可放置一个钽电容)。8脚接功率控制脚(PC),可以控制该脚电压从而控制电源功率。当电压为低电平时(0V时),放大器电源处于关断状态;当电压为高电平时(3V时),放大器处于全功率工作状态。8脚外接UHF或HF电容滤波。15、16脚为RF功率增益控制端,分别控制输出功率增益为8dB bit步长和16dB bit步长,这些脚高电平至少2.7V,不得超过3.3V,同时外接一个UHF旁路电容。