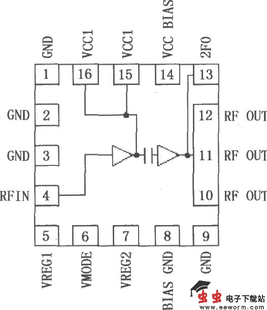
RF2162是大功率、高效率线性放大器IC,应用在3V手持式系统,采用先进的砷化镓异质结双极型晶体管(HBT)处理,设计用于双模式3V CDMA/AMPS手持数字式蜂窝系统设备的末级线性RF放大、扩频系统和其他工作频率为800~960MHz的应用。RF2162有一个模拟偏置控制电压去产生最大效率,器件本身包含50Ω输入和输出,很容易匹配以获得最佳的功率、效率和线性特性。RF2162采用紧凑的16脚无引线封装,其引脚排列如图所示。
各引脚功能:
RF2162是大功率、高效率线性放大器IC,应用在3V手持式系统,采用先进的砷化镓异质结双极型晶体管(HBT)处理,设计用于双模式3V CDMA/AMPS手持数字式蜂窝系统设备的末级线性RF放大、扩频系统和其他工作频率为800~960MHz的应用。RF2162有一个模拟偏置控制电压去产生最大效率,器件本身包含50Ω输入和输出,很容易匹配以获得最佳的功率、效率和线性特性。RF2162采用紧凑的16脚无引线封装,其引脚排列如图所示。
各引脚功能: