
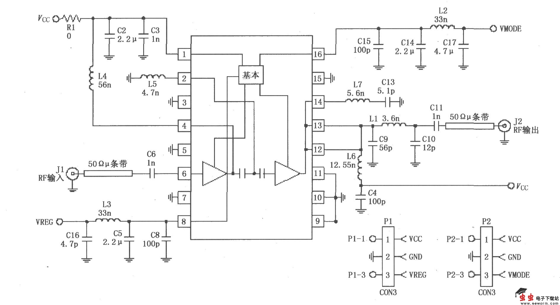
如图所示为由RF2175构成的380MHz线性放大器应用电路。射频信号(RF)由6脚输入,经过前置放大器、末级功率放大器放大后由12、13脚输出。6脚与内部放大器直接耦合,因此外加一个隔直耦合电容。输出端12、13脚和14脚在芯片内部已连接,通常将12、13脚在外部连接在一起作为信号输出。12、13脚也作为末级功率放大器电源供电端,通过这些脚向末级功放提供偏置电流。14脚作为二次谐波的滤波电路,采用传输线或电感与电容构成滤波器谐振在2f0,对二次谐波提供低阻通路,能有效地短接二次谐波。8脚接使能电压VREG,可以控制该脚电压从而控制电源功率。当电压为低电平时,放大器电源处于关断状态;当电压为高电平时(2.8V时),放大器电源处于标准工作状态。8脚外接外接100pF高频滤波电容。16脚接VBIAS,该脚控制低功耗模式时电路的效率,全功率工作时该脚应置为2.8V。