
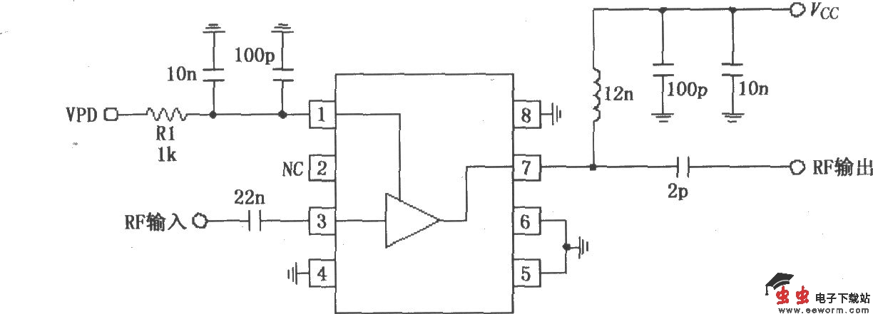
如图所示为由RF2347构成的880MHz低噪声放大器应用电路。射频信号(RF)由3脚输入,经过放大器放大后由7脚输出。3脚与内部放大器是直接耦合,因此在3脚外加一个22pF隔直耦合电容,在836MHz工作时匹配阻抗为50Ω。7脚为集电极开路的输出端,可以通过扼流圈或匹配电感接到电源Vcc,该脚典型匹配阻抗为50Ω,外接输出匹配网络使放大器输出阻抗与之匹配,以获得最大输出功率和效率。1脚为功率降控制端,用于控制偏流。当VPD=(2.8±0.1)V时(IPD典型值为8.5mA)电路工作;当VPD<0.9V时电路关闭;VPD要求外加RF旁路电路。