⭐ 欢迎来到虫虫下载站!
|
📦 资源下载
📁 资源专辑
ℹ️ 关于我们
⭐ 虫虫下载站
🔐
登录
📝
注册
虫虫下载站
专业电子工程师资源平台
📤 上传资源
🏠 首页
📦 资源下载
📁 资源专辑
🔧 热门软件
⭐ 精品资源
🎓 基础知识
📐 电路图
📚 电子书
🔢 在线计算器
🔍 代码搜索
🏠 首页
›
电路图
›
功放电路
›
震音放大器电路图
震音放大器电路图
📅 发布时间:
2013-09-23 00:00
👁️ 浏览:
0
🏷️ 标签:
震音
放大器电路图
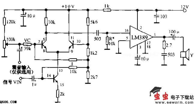
震音放大电路以次声频率(通常5~15HZ)对音频输入信号进行幅度调制。所采用的National公司的LM389集成电路,它内部阵列含有三个晶体管和一个功率放大器。这些晶体管构成差分对和有源电流源尾部,这个差分放大器的输出 与两个输入信号的乘积成正比。增益控制电位器用来调节所需的震音强度。级间的R、C网络构成160Hz高通滤波,要求震音频率低于160Hz。
觉得这篇文章有帮助吗?
👍 来顶一下 (
91
)
🔐 用户登录
×
加载中...
加载登录表单中...
🎁
免费注册送10积分
×
加载中...
加载注册表单中...
🔑 找回密码
×
加载中...
加载表单中...
🔐
需要登录
×
🔒
登录后即可使用!
🎁
新用户注册立即送10积分
积分可用于下载资源,免费获取优质技术资料
🚪
退出登录
×
👋
确认要退出登录吗?
退出后需要重新登录才能下载资源