⭐ 欢迎来到虫虫下载站!
|
📦 资源下载
📁 资源专辑
ℹ️ 关于我们
⭐ 虫虫下载站
🔐
登录
📝
注册
虫虫下载站
专业电子工程师资源平台
📤 上传资源
🏠 首页
📦 资源下载
📁 资源专辑
🔧 热门软件
⭐ 精品资源
🎓 基础知识
📐 电路图
📚 电子书
🔢 在线计算器
🔍 代码搜索
🏠 首页
›
电路图
›
功放电路
›
电唱机放大器电路图
电唱机放大器电路图
📅 发布时间:
2013-09-22 02:00
👁️ 浏览:
0
🏷️ 标签:
电唱机
放大器电路图
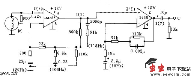
如图所示出从电唱机拾音头M拾取信号经过LM387和l458放大器放大的电路。LM387是LM38X系列中的一种。LM38X系列是高级线性放大集成电路,具有低噪声、低失真、宽频带及抑制脉动等优点。此外,采用单电源供电、内部有补偿、电源退耦和调节、较大的输出电压变化以及较大的功率宽带,也是它的特点。图中与拾音器磁头并联的600欧电阻用F阻制电流。
觉得这篇文章有帮助吗?
👍 来顶一下 (
25
)
🔐 用户登录
×
加载中...
加载登录表单中...
🎁
免费注册送10积分
×
加载中...
加载注册表单中...
🔑 找回密码
×
加载中...
加载表单中...
🔐
需要登录
×
🔒
登录后即可使用!
🎁
新用户注册立即送10积分
积分可用于下载资源,免费获取优质技术资料
🚪
退出登录
×
👋
确认要退出登录吗?
退出后需要重新登录才能下载资源