⭐ 欢迎来到虫虫下载站!
|
📦 资源下载
📁 资源专辑
ℹ️ 关于我们
⭐ 虫虫下载站
🔐
登录
📝
注册
虫虫下载站
专业电子工程师资源平台
📤 上传资源
🏠 首页
📦 资源下载
📁 资源专辑
🔧 热门软件
⭐ 精品资源
🎓 基础知识
📐 电路图
📚 电子书
🔢 在线计算器
🔍 代码搜索
🏠 首页
›
电路图
›
功放电路
›
运算放大器和达林顿晶体管的恒流源电路图
运算放大器和达林顿晶体管的恒流源电路图
📅 发布时间:
2013-09-17 06:00
👁️ 浏览:
3
🏷️ 标签:
运算放大器
达林顿晶体管
恒流源
电路图
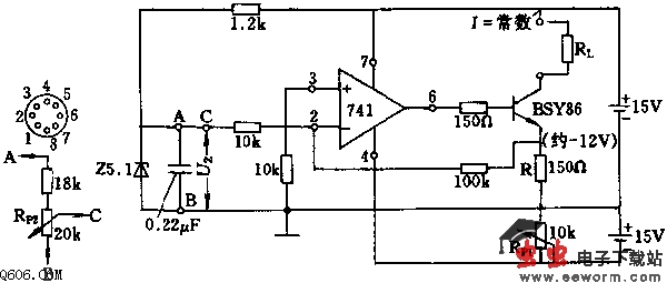
电路由于采用达林顿晶体管BSY86后输出电流较大。输出电流最大值由电阻R=150欧限制,输出电流的大小由电位器RP1调节,并且与负载电阻Rl无关而保持常数。图中电位器RP1采用10k欧,电流可在5uA~40mA范围内调节。
运算放大器输入端A、B、C三点所围部分可用电位器RP1代替,此时BSY86的发射极电位可通过RP2调整到对地-0.6V,电位器滑动触点对稳压管正端电位为-12V,于是电阻R和电位器RP1可以取消。
觉得这篇文章有帮助吗?
👍 来顶一下 (
34
)
🔐 用户登录
×
加载中...
加载登录表单中...
🎁
免费注册送10积分
×
加载中...
加载注册表单中...
🔑 找回密码
×
加载中...
加载表单中...
🔐
需要登录
×
🔒
登录后即可使用!
🎁
新用户注册立即送10积分
积分可用于下载资源,免费获取优质技术资料
🚪
退出登录
×
👋
确认要退出登录吗?
退出后需要重新登录才能下载资源