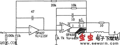
图中所示为高保真组合音响放大电路。该电路使用了超低噪声精密运放OPA27作为前置放大。该电路最大输出功率可达150W。当输出功率为50W时,在频率为20kHz的条件下,其总谐波失真为0.02%,在1kHz条件下,其总谐波失真为0.002%。OPA27采用同相输入方式可提高其输入阻抗,当电源电压为±15V时,其输出线性动态范围为±12V。OPA502也可接成同相输入方式,其增益稍大于3,当电源为±40V时,其输出线性动态范围为±35V。由表中可得知,图RCL=0.1Ω,在此限流阻值下,其限流电流值为8.1A。电路的总电压放大倍数为21倍。


觉得这篇文章有帮助吗?