最近,添置了一台万利达逐行扫描DVD机,原有功放已无法配接,成品AV功放大多带有解码器且价格昂贵,而DVD机内就带有AC-3和DTS解码器,故自己动手组装一套5.1声道功放来满足需要,实践证明既经济实惠音质也相当不错。
现在市面上组装好的五声道功放成品板很多,但一定要选购用料、排版和焊接工艺都较考究的产品才能获得满意的效果,我选购的是成都实用机电技术研究所出售的成品板,质量很好。在此基础上做了两处改进:一是加装了喇叭保护电路,二是增添了荧光管显示电路。这样操作使用更加方便和安全。
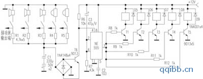
下面重点介绍五声道喇叭保护电路和两个单声道变BTL输出电路。
1.五声道喇叭保护电路
本保护电路适合家庭影院AV功放之用,具有开机延时5秒接通喇叭;关机首先断开;功放中点电压超过±1.3V时,自动断开喇叭,故障排除后自动恢复原有功能等特点。

工作原理见上图,在接通电源的瞬间,由于C3上的电压不能突变,可视为短路,则NE555②、⑥脚呈高电平使IC复位,③脚输出为低电平,继电器不动作。当C3充电到②脚的1/3 VDD电平时(时间可自行设定),NE555被置位,③脚转呈高电平,使晶体管T1~T5截止,继电器释放,及时断开喇叭,达到保护目的。
2.元件选择
本电路均为普通易购元件,D1~D4最好用AK型开关二极管,灵敏度较1N4148高些。
继电器用JZC-23F型,要选用名牌产品,触点电流应大于5A的,过小易使触点烧蚀,缩短使用寿命。
调整C3或R7可以改变延迟时间。
本电路电源必须接于变压器次级绕组,滤波电容容量不可过大,否则将失去关机先断开喇叭的功能。
本电路用一块130mm×60mm万能实验板搭焊而成,避免自制印制板的困难。