TDA7382是ST公司推出的一款新型甲乙类音频功率放大器,尤其适用于汽车收放机。
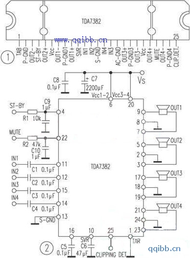
它采用25脚Flexiwatt25封装,引脚排列如图1。也不需要外部补偿和输出自举电容器,只用少量的阻容元件就可以组成如图2所示的低频功放电路。

电源电压最高不能超过18V,静态电流约150mA。C1~C4分别为脚IN1~IN4的输入电容,当其值均选0.1μF时,放大器低频截止频率为16Hz。{4}脚和{22}脚的功能分别是待机和静噪抑制(MUTE),若不用,可分别连接到电源Vs。当{4}脚上电压降至1.5V的门限以下时,放大器关断。在{4}脚为低电平时,放大器待机电流仅约20μA。只要{22}脚上电压降低到1.5V的门限,放大器则处于静噪状态。{10}脚上的C6用作电源电压抑制(SVR),{25}脚的功能是限幅检测。
TDA7382具有过热限制、接地开路、静电放电(ESD)和短路保护功能,最大峰值输出电流为4.5A,输出失调电压不超过100mV,总谐波失真THD典型值是0.04%,输出噪声电压CN0典型值是65μV,在VS=14.4V、f=1kHz和THD=10%及RL=4Ω下,每个通道输出功率是22W。