M5112Y 5W音频功放电路

📅 发布时间:2013-09-09 10:30 👁️ 浏览:3 🏷️ 标签: M5112Y 音频功放电路

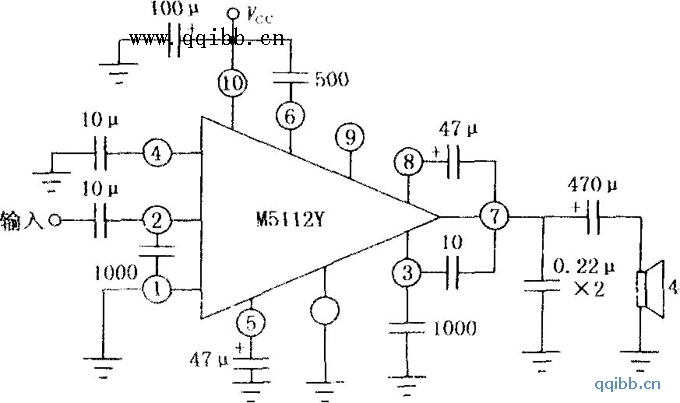
   M5112Y是5W音频功率放大集成电路。该电路输出功率大,失真度小,频带宽,适用于汽车收音机及立体声装置中作音频功率放大器。如图所示为其典型应用电路。

觉得这篇文章有帮助吗?