《电子报》去年第25期《电脑功放DIY》推荐的自制功放是用PC机电源供电的。因为TDA2030向电源索取电流较大,实测启动或开大音量时达1.2A,峰值达5.5A,这样PC机开关电源容易过载。为此,笔者用一块SGS-Thomson公司生产的4声道功放集成块TDA7370改制,无论音质与耗电明显优于TDA2030。
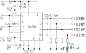
TDA7370是一片专为小汽车生产的带环绕后置驱动的音响IC。其内含4路功放,频率带宽17Hz~70kHz;1kHz谐波失真0.04%,输入信号电压为0.38Vrms。只是功率较小,2V供电4Ω负载时为4W,但作为驱动PC机的桌面音箱,其性能已非常优越。笔者充分利用TDA7370的4路功放输出,玩双功放驱动,如下图所示。使用的是5英寸银笛纸浆复合盆低音、绢丝膜球顶高音单元自制的桌面音箱,听感高音清脆、低频有力。实测电流满音量时仅为0.52A。TDA7370工作时会产生热量,应配50mm×35mm的铝片为其散热。
