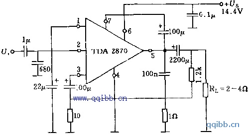
TDA2870功放电路图

📅 发布时间:2013-09-09 08:30 👁️ 浏览:6 🏷️ 标签: 2870 TDA 功放电路图

   该电路特别适用于汽车收音机电路中,内部有热过负荷保护和短路保护措施。负载电阻2欧,输出功率达10W,供电电压范围为5~18V。

觉得这篇文章有帮助吗?