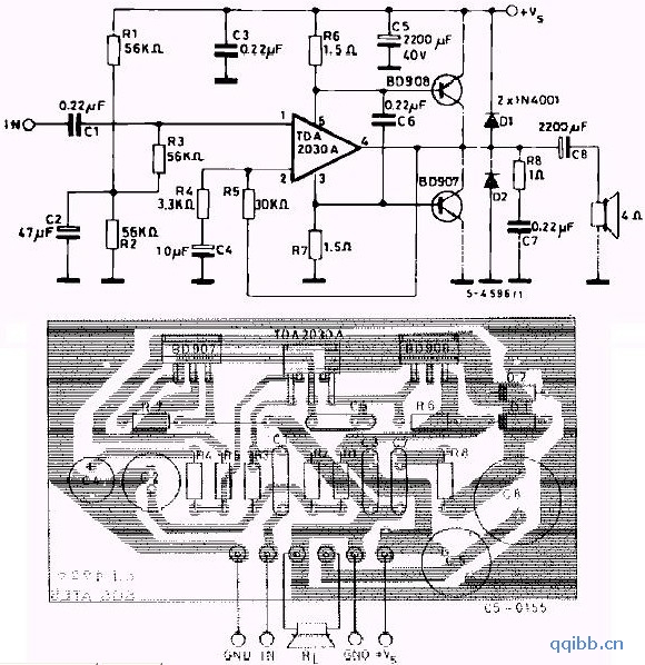
用BD907 908和TDA2030制作的功放电路

📅 发布时间:2013-09-08 02:00 👁️ 浏览:0 🏷️ 标签: 2030 907 908 TDA

TDA2030和BD907/908制作的40w功放电路:

TAD2030A+BD907/BD908  电源电压DC36V,40W—50W

觉得这篇文章有帮助吗?