笔者利用开关电源及一款优质功放板制作的一台功率放大器被朋友硬懒着抱走了。虽有道奇在身边,但总嫌功率偏小,很难满足大动态爆棚节目的需要,特别是几位关系不错的朋友唱卡拉OK时不会拐弯的大嗓门,频频使输出仅为十几瓦的道奇出现严重的过载失真。于是最近又重整旗鼓制作了一台性能优良的功率放大器。
一、电路选择
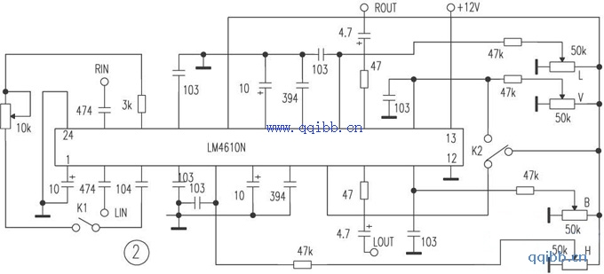
本功放制作在原功放(开关电源、优质功放板,电路见图1)的基础上,融入了集音调、音量、平衡及3D功能于一身的高品质音响电路LM4610N(电路见图2)及大幅度提高音乐清晰度的BBE电路XR1075,摒弃信号切换电路。LM4610N的电气参数如下:工作电压为9V~18V(典型值为12V);失真度0.03%;信噪比80dB;频率响应250kHz;音量调节75dB;平衡调节1~20dB;音调调节±15dB,最大增益为2dB,同时具有3D声场处理功能。以XR1071芯片为核心的音乐清晰度提升电路为美国EXAR公司的第二代产品,性能优于第一代M2150及日本罗姆公司的BA3884,其特性参数为:工作电压±5V,清晰度提升量0~9.7dB,低音提升量0~9.9dB,该电路各厂家成品板元器件选择稍有出入。

二、具体制作
本功放机箱采用一台报废的“远大”250W晶体管扩音机的机箱,将机内所有器件及面板全部拆除,另用3mm厚的机制铝板根据面板要求重新设计加工。该机箱与标准机箱相比略大,尺寸为550mm×410mm×145mm,正好容纳下该功放所有的电路及元器件。因各单元均为成品板,故在组装时只需根据电路要求作简单的连线即可,但必须注意大电流通道应选择质量上乘的导线,且尽量做到粗而短并以不同颜色区分,小电流及信号通道也应尽量选择容量大且质量好的导线和信号线。信号线从输入端开始至各板信号连线均采用屏蔽线且屏蔽网单端接地,避免感应噪声。机内各单元应遵循一点接地的原则,即各板地线先用粗壮的导线(通常为黑色)引出后汇集于一点接机壳,具体接地位置则需经过反复试验而定,此举如做得好则可彻底杜绝交流声。在此提醒,多数成品板电路已留有固定孔位,但其中总有一两个孔位是与电源地相通的,如不加绝缘处理,将之用螺丝固定在金属机箱内时,往往会形成电路的多点接地,容易引发交流声,这也是许多发烧友在制作音响时出现噪声而束手无策的根源。正确的做法是用锋利的刀片环割固定孔位,使之与电源地线分离,这样才能达到一点接地的目的。因本功放内单元电路多达六七块(变压器、开关电源在内),故应充分做好各单元与金属底板之间的绝缘及防震工作。笔者的做法是先用一块15mm厚的木板(视底板大小而定)平铺于底板上,再在板下用螺钉把木板和底板紧密连接在一起,然后再把各单元电路依次固定在板上。在固定开关电源及电源变压器之前先在其下垫上一块大小合适的汽车内胎,以彻底杜绝由于震动而产生的不良影响。一台功放制作成功与否,与前级的供电质量有着密不可分的关系。本功放为两块音效板提供电源的是由一只双交流16V/35W的优质E型变压器独立承担,交流电经10A/100V整流桥整流,通过2200μF/50V的电容滤波由7812、7912三端稳压块与NE5532组成的伺服电源稳压后提供给两块音效板使用(电路见图3),如此质量上乘的电源供应可使LM4610N和XR1071的性能发挥至极限。本功放制作时,舍弃制作功放时普遍采用的接插件级连方式,而各板连接(包括电源输入、功放输出)均采用直接焊接,这样可以避免因接触不良及接插件表面氧化而引起的信号劣化及噪声。
整机组装完之后,用万用表的直流电压挡测量功放输出端的中点电位,一般应在100mV以下。

[!--empirenews.page--]三、试用感受
试听时,为了不使高品质信号掩盖本功放的缺陷,首先用笔者的JVC TD-W205卡式座接本功放,接入一对新威二分频书架箱。先将两块音效板的功能开关扳至“OFF”位置,发觉该功放的信噪比极高,静态时即使将耳朵贴近音箱也听不到任何噪声。放了几盘正版音带,总的感觉是音场开阔、平衡度好,低音饱满有力度,中音明亮清晰,高音则细腻甜美通透。后来以新科330超级VCD机将JVC TD-W205卡座换下,放了几首自己颇为熟悉的曲子,感觉高低音又有不同程度的延伸,而后将XR1071的功能开关扳至“ON”挡,将清晰度及低音补偿作适当调节,此时音场明显展宽,音乐密度加大,清晰度大为提高,又听到了一些以前从没听到的信息。低音颇具震撼力,将LM4610的3D开关开启后,三维音场随及响彻整个空间,包围感甚佳,试播几部经典影片,感觉很过瘾。