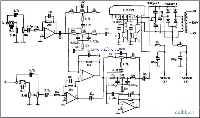
TDA1521功放集成电路,内含过热、短路保护及扬声器消“噗”声电路。本电路将TDA1521功率放大电路与NE5532前置放大电路组合在一起,并经过适当的电路设计,组成一台高灵敏度的音频功率放大器,适合于小功率、便携式等音响设备的接续功率放大,如MP3等。
该电路采用的前置放大集成电路为NE5532运放,NE5532素有运放之皇的美誉,音色出众。音调调节部分选用NE4558运放。由于在音量开小时,高音衰减较大,所以,电路加入了LS功能,即使在小音量时,也能保证有均衡的高、低音输出。
该机电路性能指标如下:
1.当Uc=±24V时,PMPO可达2 X 250W;
2.频响:20Hz ~ 20000Hz,50Hz时,低音提升量最大,可达20dB;高音提升量为18dB;
3.失真度:≤0.1%;
4.信噪比:70dB。
