场效应管为电压控制器件,其高频特性好,作为功放管有着电子管般的音色。但是一些局部负反馈的场效应管功放,实际听音效果并不理想。而本文介绍的电路设计成环路负反馈后,音色愈显甜美,高音细节清晰,低音力度十足,效果出人意料。
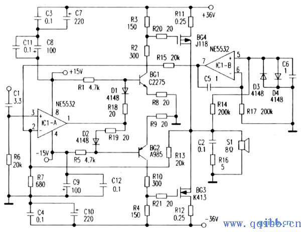
电路原理如下图所示,为典型的OCL功放。其中使用IC1-B为直流零点伺服。本电路使用两组电源供电,稳压+-15V供给运放NE5532,+-36V供给后级使用。
安装调试注意:可选用原理图所示器件或其他参数相近的器件。BG1、BG2要求β值大于100,耐压大于100V的配对互补管。R20、R21应尽量靠近MOS管栅极。中点电压应为0V。BG3和BG4栅源极电压一般为1V左右。
