使用TDA2009制作功放电路图

📅 发布时间:2013-09-05 21:30 👁️ 浏览:1 🏷️ 标签: 2009 TDA 功放电路图

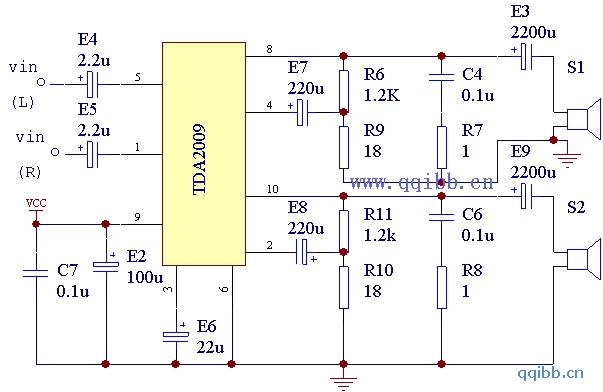
   TDA2009是一种较为常见且价格实惠的高保真功放集成块。额定功率为2×10W。电源电压为8~28V。最大输出电流为3.5A。具有过热保护电路。(2×10W,THD=0.5%)

   据笔者采用该芯片所做的几套功放来看,效果还是很不错的,一直用到今,好几年了,没有出任何故障。当然,如“地线设计技巧”篇章介绍的,前提是地线设计要合理,另外虽其发热很小,还是要注意散热。其电路图如下:

觉得这篇文章有帮助吗?