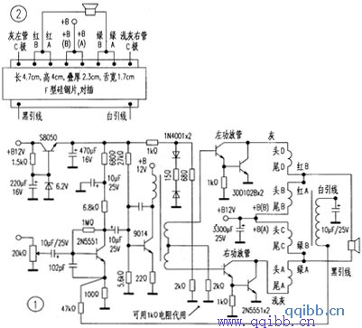
此款功放电路设计巧妙,音质醇美耐听,输出功率强劲,对不同阻抗值的扬声器适应能力强。用此电路配飞乐牌 YDT713-IC 内磁式 1 . 5W / 16 Ω扬声器自制音箱,效果非常令人满意,电路见图 1 。
这是一款经典的有输入、输出变压器的功放电路。可贵的是它的预推动、推动级、功率输出级偏置电路都采用了稳压措施,尤其是功率输出级偏置电路,利用硅二极管结电压高度稳定的特点对偏置作了精细稳压与分压,保证了工作点的稳定,这对分立元件的晶体管功放至关重要。
为了提高工作效率和降低生产成本,输出变压器采用了自耦形式,并且有专用的负反馈绕组提供负反馈信号,改善整个放大器的频响特性,这是提高放大器工作稳定性和醇厚音质的关键措施。输出变压器自身频响虽然不及 OTL 、 OCL 功放电路,但它具有潜在酌、无形的“掩盖”失真的特点,即传输信号“软过渡”现象,当音频信号经过输出变压器的电磁转换后送至扬声器时,使人感觉比较顺耳,尤其聆听中频段的女声时更觉亲切自然。

图中电阻电容没什么特殊要求, 2N5551 、 9014 要用暗字 ( 即激光刻印 ) 的, 2 只 3DD102B 要用正品,名牌黑白机上的拆机管也行。推动、输出变压器是本电路的心脏级元件,图 2 为输出变压器外形图和接线,铁芯使用 F 型硅钢片,长 4 . 7cm ,舌宽 1 . 7cm ,叠厚 2 . 3cm ,高 4cm 。图 3 为输出变压器的绕制数据,硅钢片对插。
推动变压器长 2 . 2cm ,高 1 . 7cm ,叠厚 0 . 7cm ,用 EI 形硅钢片,绕制数据见图 4 。硅钢片对插,最后要把变压器浸漆烘干。
制作要点:预推动、推动级最好用印板,用优质薄木板搭焊也行, 2 只功率管可分别固定在各自散热器上,与输出变压器间连线尽量短。
关于电源的问题,如果有闲置的 12V 电瓶或 12V 大容量矿灯电池,分清正负极性后可以直接使用,为防止误接,可在 +B 端串八一只 1N5408 硅二极管,正极接电源输出线的正极,负极接功放 +B 端子。也可以使用整流电源,变压器功率应不小于 30VA ,次级电压 12V 。如有拆机的 14 英寸 黑白电视机的电源变压器也可采用,这些拆机变压器多数为名厂产品,质量一流,性能优异,若有 2 只同厂同型号变压器可以并联使用增加功率,实际使用效果也很好,具体电路见图5。
