功放的输入级是一对场效应管,优点是输入阻抗高,动态范围大和噪声低。使推挽输出自动工作在甲类状态...
[电路原理]
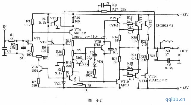
如图4-2所示,这部功放的输入级是一对场效应管,优点是输入阻抗高,动态范围大和噪声低。VT3、VT4组成第二级放大,VT5提供1.8mA的电流给VT1、VT2;VT6提供9.5mA的恒定电流给VT3、VT4。由于VD1的导通,电流电压即使有波动,不会影响到VT5、VT6的基准电压,保证了VT1、VT2两管电流的稳定。VT9~VT14组成互补输出级,它的输出电流受VT8的控制。VT8是一个恒压电路,动态内阻小,Vce8的电压恒定不变,调节RP2可以调整静态工作电流大小。VT7、C3、R13、VD2组成一个动态偏压电路,它的原理是:在信号输入增大时,VT7使VT8的基极电流下降,VT8的Vce升高,VT9~VT14的电流也相应升高,最高峰值可达4~5A,使推挽输出自动工作在甲类状态,不仅减少交越失真和谐波失真,而且提高电源的利用率,动态偏压的控制量由Rl3决定。C5是加速高频信号的大环路负反馈电容,具有相位超前的补偿作用。可降低瞬态失真和互调失真,并可防自激。输入级还加有高频滤波网络,以便将一些不必要的高频噪音滤掉,提高信噪比。 VT9、VT10、用TIP41和TIP42代替 。VT11、VT12、VT13、VT14、可以用TIP35C和TIP36C代替。工作电压不要超过+50V和-50V,可以获得80W输出。

[元器件选择]
在电路所用晶体管的BVceo要求大于或等于电源电压的两倍。场效应管VDS>/=50V,Gm也必须一致。互补输出级应测量小电流到大电流的直流放大倍数,要求线性好,每位相差不超过1%,输入级的?T可选高一些,输出级的?T则应低些。电阻宜用性能稳定的金属膜电阻。C3选用CA系列,其余均为CBB电容。在选管时,必须对推动级的晶体管选择引起重视。实际上推动级的工作状态决定着未级输出工作能否轻松自如。现今大功率功放使用的电源电压都比较高,输出管驱动电流也比较大,推动级的功耗相当可观。这也就是高级功放的推动级选用中功率及大功率管井加散热器的原因。
[安装与调试]
由于该电路的各级都是直接耦合的。其中一只元件不合格则可能影响工作状态,甚至损坏晶体管。故须仔细检查元件质量。安装时,调节零电位和静态电流的两个电位器可就近安装在VT1、VT2和VT7的附近,外壳必须良好接地,大功率管和射极电阻均装在足够大面积的散热器上,以免大电流通过线路板而产生不必要的寄生耦合,vT8装在四个晶体管的中间,作温度补偿用,以稳定静态工作电流。
这部功放的调试十分简单。首先在放大器的未端接一个40~60W、27ohm或者电压36V、功
率60W的机床工作灯泡作假负载。用万用表测量中点电压应为0V左右,若达不到要求则可能是差分管不配对,或者元件管脚焊错。对静态电流的调试:调节RP2,使输出管的射极电阻两端的电压降在100mV左右,这时静态电流在200mA。