许多发烧友都乐于制作功放,但多局限于一些单片集成功放如LM1875、LM3886、LM4766、TDA7294等,用这些IC制作的功放其音质要好于市面上一些中、低档功放,但与一些高档Hi-Fi功放相比,音质仍有较大的差距。这里推荐几款容易制作的靓声甲类功放电路以供参考。其组成框图如图1所示。
该电路具有如下特点:1.采用板块积木式组合,可根据自身经济状况适当增减。2.电压放大部分与电流放大部分分开设计、布版,便于烧友采用高、低压两组电源分开供电,可选择众多特色的后级电路搭配,也便于安装固定散热片,为发烧友摩机提供方便。3.采用无大环负反馈设计,可进一步改善扬声器负反馈电动势对音质的影响。
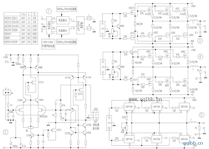
限于篇幅,这里简介电压放大部分与电流放大部分。以下均为双声道设计,仅给出一个声道的原理图,另一声道、电源与保护电路图略。
一、电压放大部分
使用厂家提供的成品板。该板双声道设计,采用双面镀金线路板制作,板上大量使用发烧器件,如五环金属膜电阻、ELNA发烧电容、音频专用高频管、低噪声恒流源专用场效应管等。原理简图如图2所示。使用孪生场效应管NPD5565输入,采用共源共基电路、有源负载及差分电路,与马兰士公司的HDAM模块电路及国内一些厂家生产的电压放大模块电路相比,本电路显得设计更趋于该电压放大板对电源适应范围较宽,±35V~±60V都可工作,建议电压放大部分供电采用并联式稳压电源,且比电流放大部分电压高出5V~10V。完善,音质也更理想。
二、电流放大部分
有多种电流放大板可与上述电压放大板配套,下表列出所用功率管的部分参数供发烧友参考。
1.2SK2013/2SJ313推动3对2SK1529/J200,原理图如图3所示。
2.2SK2013/2SJ313推动3对2SC5200/2SA1943,原理图略,可参考图3,装配时只需把K1529/J200换为C5200/A1943即可。
3.2SC5171/2SA1930推动6只2SK851,原理图如图4所示,超大电流MOS场效应管2SK851具有开关速度快、导通电阻小、失真率低等特点。目前仍无场效应管与之配对,该电路采用准互补输出的形式,2SK851曾在天龙PWA-2000N功放中使用过。
4.2SC5171/2SA1930推动6只2SD1037,原理图略,可参考图4,装配时,只需把K851换为D1037即可。该电路采用准互补输出,只要设计得当,准互补输出电路同样可出靓声。比如深受好评的LM3886、LM4766内部就采用准互补输出电路。
5.采用3对三肯复合管SAP15N、SAP15P,原理图如图5所示。
6.2SK2013/2SJ313推动8对大功率场效应管或三极管(图略),方便发烧友制作100W×2纯甲类。

三、调试
以上6种后级电路可根据P甲=2I02RL计算其所需甲类功率或末级静态电流,从而根据需要调试末级静态电流。如一台在8Ω负载下输出功率为80W的纯甲类机,末级静态电流为Io=2.236,则流过每管的静态电流为Io′=Io/n=2.236/3A=0.745A,即0.25Ω/5W电阻上直流压降为V=Io′?R=745×0.25≈186(Mv)。
虽然纯甲类功放声音柔和、甜美,但是它对变压器、滤波电容、功率管及散热片都有极其严格的要求。听一个月下来,电费负担重。在这种情况下,烧友不妨把功放制作成高偏置甲乙类功放,比如20W以下为甲类输出,20W~100W为甲乙类输出。此时功放总静态电路为Io=1.118A,其实一般居室环境,20W左右的纯甲类输出,可满足大多数烧友的听音要求。
由于电压放大部分已被厂家调试好,只需装配好末级电流放大部分及相关接口。微调电压放大部分的W1使输出为0mV,再调节电流放大部分的多圈电位器W2,测量0.25Ω/5W电阻两端的直流电压,使其符合自己的要求,对图3、图4可直接测量0.25Ω/5W两端的电压,对图5应测量SAP15N④、⑤脚或SAP15P①、②脚两端的电压。 [!--empirenews.page--]
若测试一切正常,即可煲机1~2小时,重复检查各项参数,若无误,即可放音试听。若想装配纯甲类功放,可把整机先调成高偏置甲乙类功放,试听正常,再逐步加大静态电流至所需值,使该机成为纯甲类功放。
以上五种电流放大板,所配散热器尺寸均为360mm×120mm×50mm,成品板均调试成高偏置甲乙类功放(甲类20W+20W),若要装配80W+80W纯甲类功放,只需换掉散热片,把功放板装入两边外露散热器式专业功放机箱(480mm×430mm×150mm)调试好即可。
以上线路,发烧友稍作调整(如改变变压器功率及供电电压、功率管对数及静态电流)即可有多种用途使用。如:制作大功率功放(250W/4Ω);制作电子分频功放;制作高品质耳机放大器(用本电压放大板推动K214/J77或K2013/J313);用电压放大部分对一些分立元件中、低档功放进行摩机;制作顶级8声道纯后级功放(如用4块电压放大板,共用电源,每声道一对三肯2SC3858、2SA1494等)。