近年来有将胆管用于电脑的声卡中,以提高音质。通常欣赏电脑等多媒体音乐放音的音量不大,主要供自己听音.因此制作一部小功率胆机是比较合适的,如使用大功率胆机在小音量听音时,由于胆管没有工作在最佳状态,则不仅放音效果不好,还使制作成本及耗电加大,很不合算。不过小功率胆机在听音时音量开得也较小,乐声的低频和力度以及动态仍感到不足,因此如何能使小功率胆机体现大功率胆机的魅力,特别是动态和力度及临场感等方面要求,则在制作时还要区别对待。
据此,笔者试将一部阴极补偿镜像漂移等响度6P14小胆机的制作作一交流,以期领略小胆机尤其在小音量状态下所展示的魅力。
制作小功率胆机必须根据实际听音要求来确定输出功率,然后再确定制作方案。就用于多媒体放音来说,本机6P14按三极管接法,最大输出功率约2W,实际听音效果非常满意。由于小音量放音时声压较低,导致人耳对频率特性感受不均,出现高低音及整体力度不足的现象。由于音量电位器对于音乐成分中的微弱信号及高频成分和乐声细节衰减大,为了既达到控制音量的目的,又使乐声活泼有力,不致丢失音乐成分中的微弱信号及高频成份和乐声细节,本机在音量电位器上加装了等响度补偿电路,当电位器置于小音量时,使听感依然如故。
本机前置放大级采用混合偏置电压,以稳定前级工作点,后级采用阴极差动补偿措施以提高信噪比,降低热噪声,克服零点漂移,使音像集中,音场稳定,使重放乐声甜美动听。
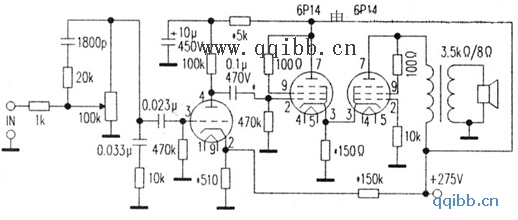
本机电路如图所示(另一声道完全相同,略),由音频表达特性较佳的胆管6N3,6P14担任音频放大,胆管6N3高低频延伸宽阔,胆昧浓郁,十分耐听。为了提高前置放大级6N3工作稳定性,采用自给偏压和固定偏压即混合偏压方式提供偏置,自给偏压电流和固定偏压电流共同流经6N3阴极电阻产生偏压,两者各分担一半,这样可有效稳定本级工作点,克服零点漂移,牢固锁定本级工作状态。

末级功放输出管选用6P14担任,该管音色表现细腻甜美,空气感强,高中低频特性好,是一种非常优秀的音频功率放大管,将6P14接成三极管形式,线性好,音色靓,单端放大最大输出功率在2W左右.而实际听音功率在0.3W~O.5W之间,配合90dB以上小全频音箱,音色表现极具魅力,出声平衡饱满有力,在此功率下听音,夜间也不致于影响他人休息。为了充分稳定6P14工作点,采用两只6P14管子构成差动阴极补偿电路,充分抑制由于温度变化、电源变化、前级工作点引起的牵连漂移以及输入的大动态重低音信号而引起的零点漂移,克服电源纹波,提高信噪比,使得小音量听音水清见底,乐声层次分明。由于末级电流较大,采取这一措施从根本上克服单端机音色好听但交流声及噪声大的缺点,这一措施尤其是在小音量听音时更显重要。
本机输出变压器阻抗取3.5kΩ/8Ω,铁芯截面积在26cmx45cm即可,硅钢片材质要好,否则难领风骚。电源变压器功率在160VA左右即可。整机工作点调试比较简单。在通电之前,输出变压器不可空载,可临时接上一只10Ω5W左右的电阻作负载,以保护输出变压器。
工作点调节:电源输出在275V,通过调节6P14阴极电阻,使6P14栅偏压为-7.5V,两只6P14屏流均在30mA左右即可。电压放大管6N3阴极电压调节为2V(阴极电流为2mA),固定偏压电流也调节为2mA,阴极偏压由自给偏压电流和固定偏压电流共同流经阴极电阻产生,两者各承担一半。工作点调好后,将10Ω假负载电阻换接成音箱即可连机试听。