6N7P胆电路前级

📅 发布时间:2013-09-05 20:30 👁️ 浏览:7 🏷️ 标签: 6N7P 胆电路 前级

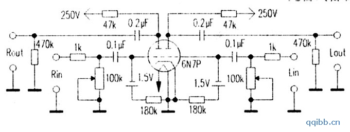
   6N7P系共阴极双三极管.一致性好,用于推挽放大倒相电路平衡度高。此管具备右特性,可工作于零栅压,音质圆润醇真。为了领略6N7P的魅力,笔者用6N7P组成双声道前级.采用1.5V电池作栅偏压.灯丝用直流供电。6N7P工作点电流在23mA,放音胆味浓郁.非常耐听。

觉得这篇文章有帮助吗?