SRPP(Shunt Regulated Pust-Pull)电路,即并联调整推挽电路是一款线性接近理想,而失真度、动态以及输出阻抗都比一般甲类放大电路更加好的优秀电路。该电路最早使用在视频领域,所以频率响应非常宽,现在用于音频领域,确有杀鸡用牛刀的感觉。笔者早在1992年春看到贵体翔先生在《实用电子文摘》上介绍日本的须贺一男用该电路做输入兼推动的混合型胆石机,频响宽达360kHz等指标后.曾立志今后—定要玩—玩该电路。同年,2月时,再看到何绍和先生在《无线电与电视》上介绍该电路时,再也抑制不住兴奋。从1993年春到1996年春这三年里不断地摸索,反复六次拆装,才终于做成今天这一款较理想的前级。
说句心理话,要做成一款电子管前级并不难。因为几十年来,电子管技术的发展已经达到了颠峰,各种电路也非常成熟,关键是如何提高制作的技术,具体地说是如何提高它的倌噪比和降低失真度,而最难的就是提高信噪比。
在附图中,图1和图2分别是一个声道的放大电路和电源的电路图。


主电路是非常经典的SRPP电路,高低音电路是参照陈锦华先生发表在《音响世界》的路。VR1是左右声道平衡电位器(VR1a表示一个声道的).用的是带有中间定位的ALPS 100kΩ×2的B型电位器。由于本人使用的激光唱机是PhilipsCD931,带有音量调节,信号输出可达2伏,所以在本前级中不设音量控制,只设了输出电平调节VR4。
输入管G1我用的是旧的金脚ECC88,输出管G2常用6DJ8、6N11、有时也用6N2。不同的管于有不同的声音,内阻越高胆味越浓,我爱用6DJ8听打击乐,用6N11听丝竹音乐,而用6N2听情歌。事实上该电路适应性强,甚至全部用6N1也有非常好的声音。由于上述各管的管脚相同,可以相互换插,不同的管子有不同的最佳工作点,但电子管的适应能力很强,屏压从60V到500V都能工作。屏压一定时,负栅压越小,屏流就越大,低频和冲劲要好—些,但是噪音相对大些。但负栅压也不能太大,如果屏流太小,则容易出现截止失真。这是因为SRPP电路是并联调整式推挽电路,管子工作在甲类才有更好声。
为了照顾信噪比和更方便地使用各种管子,当G1和G2用6DJ8时,阴极电阻R3和R4,我分别用1.2k和1.5k,这时负栅压约-2.2V左右。对于R1的取舍因人而定.如果激光唱机输出电平不高的,可舍去。而C1和C5最好用聚丙烯电容,没有则用云母电容也行,但精度要准。交连电容C2、C3和C4可能只能用Wima的MKS,因为本电路板所留的位置有限,当然,如果碰不到电位器的套杆,把C2、C3、C4竖起来焊接也可以。高低音电位器VR3、VR2我用的是台湾产的一种1MΩ大电位器,两排脚的间距特宽、如果没有1MΩ的电位潞,至少也要用500kΩ的,否则,高低音的提升要受影响。
在图6中,虚线L表示一块铝板,是固定电位器用的。电路板建议用双面铜箔板来制作,两高压电源的跳线在底板下面焊接。由于G1和G2是—个声道;G3、G4是另一个声道,两个声道的灯丝供电分别用绞合线在底板下面连接起来,接在各自的电源上。
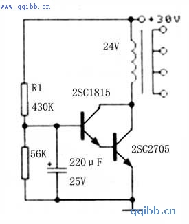
每一声道用—只50W的E型旧变压器。高压电源调整管最好开关管,只要耐压大于400V、功率大于15W的就行了,这里笔者用的是拆机的开关管2SC3833。高压延时电路板(图3)我是从其它费弃的功放板中锯下一块做成的,继电器用的是24V,延时时间,约为9秒,由R1和CT的乘积决定.如果把R1换成2M的电阻,延时时间约为9分钟。由于不同的晶体管,管脚排列不—样,加上高低压电源也比较墒单,所以我没有附上电源和延时电路的印板图。图4是整机各部分位置排列图。图5是印板和元器件排列图。


交流电源滤波器用的是TDK1.5A、250V带插座的小型品。保险丝在图5中也投有画出,读者可以自己加上;电源指示和延时指示也没有画出,读者可以用发光二极管串上适当电阻装在面板上即可。几根电位器的套杆用直径10mm的铝杆做成。[!--empirenews.page--]
机箱是自己做的,宽430mm,深280mm,高80mm,面板长480mm。平衡和高低音电位器的孔距是4.5cm,这孔距可能与别的面板不符合,笔者有时间时,再介绍有关自己制作机箱的方法。
笔者最初制作胆前级时,是采用搭棚焊制,连机壳在内—周即可完工。在1993年春节试听时,声音的确优美动听、富有磁性,使人不能忘怀。在正常听音时,信噪比也感觉过得去。但是,要命的是朋友们总是在无信号输入时,将音量开关旋至最大来判别信噪比的高低。不说烧友们不满意,连我自己也不满意,这就是我为什么这几年拆了又装,装了又拆的原因。

经过三年实践的体会,要做好一款高素质的电子管前级,除了要选择好优秀的电路和调整好电路的参数外,还应考虑下列的因素:
一是要采用电路板焊制。用搭棚焊制虽然非常简单.理论上元件和引线只要不平行,采取绞合或垂直交越,就不容易感应。但是在实践中感觉到,分布电容和电感却很难把握,不但容易感应噪音,而且容易自激,笔者用搭棚焊制的前级曾经在不接激光唱机时,能充当收音机用。而采用电路板焊制时除了能减少分布电感和电容以外,更有利于小信号的屏蔽,可以明显地降低噪音。
第二是灯丝宜用直流供电。灯丝用交流供电时,能量充沛,动态虽然会好一些,但是噪音相对要大。尽管我们一般所用的是傍热式电子管,灯丝对阴极电子的定向发射不如直热式的影响大。但是由于阴极的电位比灯丝高,容易将灯丝中的自由电子吸引过去,从而成为静噪电流。这种影响决不能忽视,尤其是以交流供电时最为强烈。最根本的解决办法是让灯丝的电位略高于阴极的电位或与其相等。另外,尽管电子管屏流较小,滤波电容不需要象晶体管功放的那样大,但是纹波的影响还是存在的。在制作中,用与不用稳压供电,不但动态会更好些,而且音质更美。依笔者体会,电源对胆前级性能的影响决不亚于电源对功放性能的影响。
第三点体会是阻容元件的选择尽量要小型化。选择优良的元件能出好声,这是常论。由于电子管的工作电压较高,因此很容易感应噪音.所以不但要选择好的元件,而且要注意体积.让感应降低到最低的程度。在本前级中,除厂电源中左右声道各用了一只大功串电阻外,其余的全部选用1/2W的金属膜电阻。傍路电容用的是ELNA的Silmic,而耦合电容全是用Wima的MKS。这种Wima的聚苯乙烯电容体积较小,长不过3cm,宽约0.5cm,高约1.5cm.性能却非常好,决不亚于聚丙烯,只是耐热性能略差,焊接时间不宜太久。
其次,为了提高整机的性能,合理地安装和布局也同样重要。如图5所示,本前级电源部分和主放大板分两室放置,电源部分约占2/5,中间用铝板隔离。其实整个机壳都是铝材做成的,即使如此两个变压器的放置也要注意方位,不要将漏磁大的方向对准主电路板。另外,为厂缩短信号通道的距离,消除引线,所有的电位器都装在电路板上,用套杆调节。
本机音质如何,我想不用多说,至于噪音,在无信号输入时,把音量开至最大,让耳朵贴近喇叭才能听到一丝细微的声音,而预热半小时后.就更难以听到了。