SRPP校声胆前级

📅 发布时间:2013-09-05 20:30 👁️ 浏览:2 🏷️ 标签: SRPP 前级

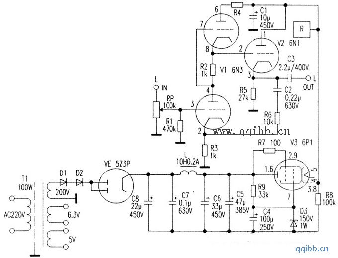
   本电路先用二极管半波整流后再加胆管5Z3P二次线性电源校声,提高放音品质。再用低频扼流圈做经典的CLC型滤波,稳压电路由V3(6P1)组成胆管稳压电路供电。

   电子管6N3和6N1均使用北京管,前级由V1组成SRPP电路,由V2作阴极输出器,输入级与输出级采用直耦合,灯丝均采用交流供电。实践证明屏压用到65V时,听人声、弦乐最佳,更耐听。

   试机,在重放听感上,高、低频有一定的延伸度和力度感,中频更佳。该胆前级最适合听人声与弦乐。

觉得这篇文章有帮助吗?