一、电路设计
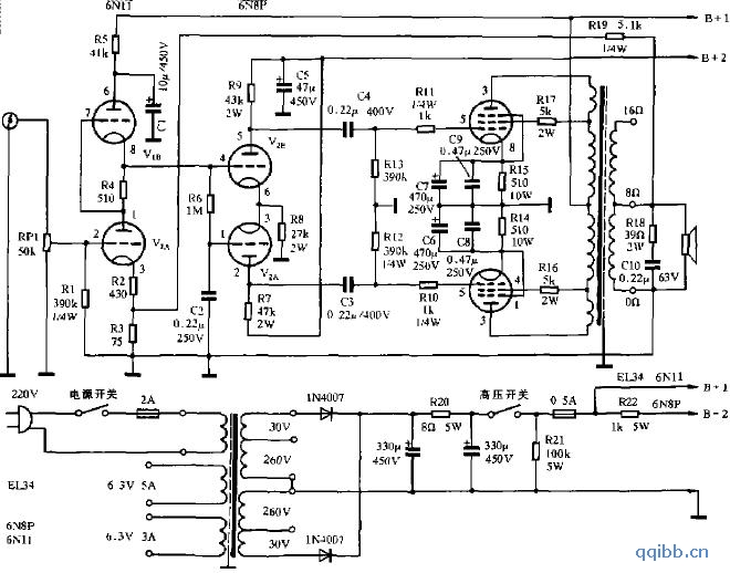
EL34胆机电路如图1所示。第一级电压放大采用SRPP单端推挽电路,第二级采用长尾式倒相兼推动电路,末级则采用超线性接法推挽输出电路。三级放大电路均为阴极自给栅偏压。
EL34胆机选作甲类工作状态和放大特性,电路的特性是由管内、外两个条件共同确定的。因此,要求各级电子管上的屏压与屏流,既要符合电子管的特性曲线,又要配合外围电路。
(一)SRPP 电压放大电路
图1第一级使用的是6N11组成的SRPP电路。V1a和V1b上、下管的直流通路串联。V1a构成三级管共阴电压放大电路,栅偏压是自给形式,由R2 、R3阴级电阻通过阴级电流产生。不设阴级电容,栅偏压会随放大工作变动,故本级有电流负反馈。V1b构成阴极输出电路,且作为V1a的恒流负载。恒流值由R4的阴级电阻所偏置。输入信号由V1a的屏极提供,然后由V1b的阴极输出。由于阴极跟随器的电压放大倍数接近1。所以SLPP电压放大取决于V1a。要求R2+R3和R4选用相同阻值。
第一级灯丝绕组中心必须接地,目的是防止灯丝电压引起交流声。
SRPP电路上下两管,是串联供电。上管阴极带有一半电源电压。阴极与灯丝之间存在着约100V的电位差,该电压过高,将造成阴极与灯丝之间击穿短路。因此,选用SRPP做第一级放大电路时,必须注意电子管阴极与灯丝之间的耐压。
SRPP电路相当优秀,它频带宽、失真低,尤其是高频特性更为突出,作为前级电压放大,其声音特点是解析力高,声底清爽顺滑
(二)倒相、推动级
第二级使用的6N8P组成的长尾倒相、推动电路。上下两只管子是阴极耦合。上管为共阴电路.信号从栅极输入;下管栅极通过0.22uF电容接地,为共栅电路,信号从阴极输入。上管共阴电路,栅、屏极信号反相180度,而栅、阴极信号同相。下管共栅电路,阴、屏极信号同相。因此,上管屏极与下管屏极信号反相180度,当上下两管屏极电压调整相等时,上下两管上屏极输出的信号电压,是相位相反,输出幅度相等的放大信号。该级倒相、推动电路的输出电压幅度Upp从60V到130V,能满足末级功放管驱动电压要求。
本级上管为共阴电路,下管为共栅电路。共栅电路比共阴电路增益低。为了增大共栅电路的放大量,需要适当增大共栅电路的屏极负载电阻值。
该机一、二级采用直接耦合,二、三级采用阻容耦合方式。第二级阴极电阻R8,输出耦合电容0.22uF是长尾倒相电路的耦合元件。由于上管输出驱动下管输出时,有一定的时间常数和延时,听起来更好听。1MΩ电阻是下管的栅漏电阻,1MΩ电阻两端电压作为下管栅偏压.而上管的栅偏压.由阴极电阻27kΩ,通过阴极电流产生。
(三)超线性推挽功率放大级
末级用两只五极管EL34接成超线性推挽功率放大电路,在输出变压器的初级,找到一对最佳抽头SG1、SG2之后,将其与功率管EL34的帘栅极相连,通过SG1、SG2抽头,把EL34屏极输出电压的一部分,反馈至帘栅极,它既有五极管的输出功率,又有三极管的低失真,实现所谓的超线性。
本机自己设计的输出变压器初级电感量Lp>50H,直流电流为120mA。实测结果,在80Hz~15kHz频段频率响应非常平直,不均匀度≤2dB。20Hz~20kHz不均匀度≤3dB。上下两管栅极上R10、R11 1KΩ是防止高频寄生振荡的电阻;R12、R13 390kΩ是栅漏电阻,R14、R15 510Ω2W是EL34两管的阴极电阻,通过阴极电流在R14、R15两端产生的电压降,作为两管的栅偏压。
该机按甲类功放设计,EL34功放管的工作点选在动态特性曲线的中点,当正弦波信号输入时,信号电压在栅极变化的整个周期内,都有屏流,屏流导通角等于360度。因此,失真度最小,对信号的细节有极佳表现。
(四)电源供给
电源由电源变压器屏极高压、栅负偏压、灯丝电压组成。该机电源变压器采用250W、C型铁芯。初级0-240V-220V两组;次级260V+30V两组,经1N4007电源整流二极管全波整流后,可提供B+直流高压380V,EL34灯丝电压6.3V、5A两组,6N11、6N8灯丝电压6.3V 3A一组。
对于晶体管整流、电子管功放电路混用来说,本机的高、低压电源开关是分别设置的。开机时,先开低压灯丝电源开关,对电子管灯丝先预热3~5分钟后.再开启高压电源开关。关机时.则先关高压开关,待音乐听不到才关低压开关.这有助于电解电容放电、延时电子管的使用寿命。有人认为高、低压采用一个开关,同时开、关机.本人不敢苟同。电源供给电路如图1所示。[!--empirenews.page--]

二、制作
电子管机制作,需要考虑结构设计、元器件装配、整体布局、安装步骤四个环节。简述如下:
(一)结构设计
金属底盘是全机所有部件安装的支架,阻容元件尽可能直接焊接到管脚上。有困难的可采用8mm宽的胶木条固定。整机采用了全对称性布局和最短路径设计:220V交流输入、保险丝、信号输入、音箱接线安装背面;高低压开关、音量电位器安装正面。为了减少电磁干扰,电源变压器、输出变压器设计有屏蔽罩。
(二)元器件装配
电源变压器采用250VA 、双260V+双30V容量大、电源内阻小的电源变压器;输出变压器要求有大的初级电感量、小的漏感、分布电容小,低的相移,40W 推挽式输出变压器;电位器选用动态噪声小、对数式100K双联微调电位器,并联使用可提高可靠性;高压整流滤波、电源电压去耦用的大容量电解电容器,要求选用耐压高、漏电小的电解电容器;电路级间耦合用的小容量电容器,可选用介质损耗小、绝缘好的聚丙烯CBB型电容器;电阻器采用精度高、热噪声小的金属膜电阻器RJ型的,屏极负载电阻,阴极耦合电阻选用2W以上电阻;栅漏、防振、负偏压、负反馈电阻选用体积小,0.25W RJ电阻器。
(三)整机布局
1. 各级放大器的位置,最好按照电路原理图上的连接顺序,排成直线形式,这样可使各级之间引线最短,并且各级“地”电流,都在本级范围内流动,不会流到其他级电路中,产生自激振荡等。
2. 电源线路与音频信号传输线路尽可能分开;低电平的输入放大电路,应尽量远离高电平的输出电路;容易发生故障的元件,应装在容易更换的位置。
3. 大环路负反馈电阻、电容器应安装在输出变压器的输出一端。
4. 灯丝的布线采用双股绞线,两根电线相互扭绞在一块,当通过方向相反的电流时,辐射出交变电场会相互抵消。
5. 音量电位器至信号输入插口、音量电位器中心滑动点至第一级电路栅极之间引线,要采用屏蔽线,引线要尽量缩短。
6. 怎样合理地布置地线,处理好地线分支问题,也是消除电路交流声、自激干扰的主要方法。本机采用三级汇接“一点接地”方式布置的地线母线。见图2所示:

(1)将本级的屏极与阴极,栅极与阴极回路的所有接地元件可能就近焊接在一个接地点上。
(2)按信号传输方向,把输入级,倒相推动级、末级功放的接地点,串联接地,这三级的信号地都与底盘相绝缘。
(3)“一点接地”设置在末级功放接地点上,它包括信号地、屏蔽地、电源整流、滤波地、底盘地四种地,汇接到“一点接地”上 灯丝地需经试验设置在前置级接地点上。
(四)安装步骤
将电源变压器、电源整流、滤波阻容元件固定在底盘上,按电源电压供给图将它们连接好,通电检查电源部分是否正常,各组高低压是否正确。
布置接地母线、灯丝线、电源电压高低压开关走线,并依次安装输出变压器、五极功率管EL34、倒相推动双三极管6N8P.电压放大双三极管6N11,各级阻容元件。要求从后级向前置级一级一级安装、一级一级打通。
检查无误后.最后将输入级短路,输出端接8Ω15W或16Ω 16W假负载。通电测量各级直流电压,用示波器观察整机是否自激。如有自激,说明输出变压器初级P1、P2端引线接错,相位接反。可将P1、P2两端对调一下,改变环路相位,即可消除自激。
三、电路调试
所焊接的胆机通电后.首先应该测量一下各电子管的工作点,是否工作在最佳状态。否则,就要调整电子管工作点。
调整工作点,要根据《电子管》手册上提供的数据,作为电子管机电路调试的依据。本机所选用的EL34、6N8P、6N11电子管特性如表1所示。

电子管机电路调试的内容.除了将噪声降至可以接受的程度和更换输入、输出耦合电容的牌子或容量外,最重要的是调整各级电子管的屏压、屏流和负偏压,使电子管工作在合适的工作点上,使每只电子管的魅力达到满意的放音效果。[!--empirenews.page--]
(一)第一级SRPP电路的调试
6N11双三极管做电压放大电路甲类工作时,工作电流应在6N11管子最大屏流的30%-60%之间为宜,也即0.48mA-1.2mA为宜。上管屏压应在电源电压Ecc=B+的一半。对于SRPP电路而言,每个管子分一半电压,下管屏压应在电源电压的25%。工作点的调试方法是:
1.通过测量下管V1a的屏极电压.看是否是上管V1b的屏极电压的二分之一。测量上管V1b的屏极电压,看是否是电源电压B+的二分之一.只要调整上管V1b的屏极负载电阻R5阻值即可。当屏极电阻R5的阻值用的比较高时,失真小。但这时,整流输出必须有较高的电压才行。
2.通过测量下管V1a阴极电阻(R2+R3)上的电压,可换算成屏极电流Ia。只要同时调整上下两管阴极电阻(R2+R3)和R4的阻值,即可调整6N11下管V1a的屏极电流。
为了获取最低的失真和较大的动态范围.要求6N11的两只三极管性能对称,6N11两只三极管阴极电阻相等,也即R2+R3=R4。
第一级采用SRPP电路放音效果确实好听,但它存在两个缺点:一是第一、二级采用直耦,一、二级工作点要一块儿调整;二是当输入信号电压过高时,第二级倒相推动电路会有栅流,所以要求输入信号电压不能大。
(二)第二级倒相推动电路的调试
倒相推动级的调整至关重要,上下两只管子输出信号是否对称相等,关系到整机的最大输出功率与失真。因为电路状态的不同,一般情况下管屏极负载电阻R7,应比上管屏极负载电阻R9的阻值大10%。两管阴极耦合电阻R8在10-20kΩ,两管屏极负载电阻R7、R9在20-50kΩ,调整方法很简单:
1.通过调整上下两管屏极负载电阻阻值,使上下两管屏极电压相等。本机上下两管屏极负载电阻分别取43kΩ,47kΩ时.两管屏压均为190V,倒相推动级输出端的上下二个输出信号对称相等。
2.通过调整两管阴极耦合电阻阻值,使每管屏极电流为4.3mA左右,可使两管输出电压达到平衡。或第一级输入端送1kHz 200mV正弦信号,音量电位器放最大音量时,调倒相级阴极耦合电阻阻值,用示波器观察6N8P上下两管屏压波形情况.看波幅是否对称.有无失真。本机阴极耦合电阻取R8=27kΩ时,每只管子的屏流为3mA。
(三)末级超线性推挽电路的调试
推挽放大电路调整目的,是使EL34两只推挽功放管要平衡,两只功放管的栅偏压和屏流要相等。
如果两管栅偏压不相等,可以调整栅极电阻R12、R13的大小;如果屏流不一样,可以调整两管阴极电阻R14、R15阻值的大小。屏流的大小要适当.屏流小对电子管的寿命有利。
调整时要注意,不要超过EL34功放管的最大屏耗Pamax=13.5W。甲类工作状态时.功放管的屏压Ua屏流Ia等于它的静态屏耗.超过后屏极会发红,时间一长就会烧坏功放管。
调整屏流时还应注意B+电压的变化,如果屏流较大时,B+电压降低很多,则说明电源部分的裕量不够或电源内阻较大。如果两管屏流相差较大,说明功放管不配对,应换一只功放管。推挽放大电路工作点调整方法是:调整两管阴极电阻R14、R15阻值。R14、R15的阻值是根据EL34功放管的栅偏压、屏流和帘栅极电流的总和而确定下来的。
改变超线性接法位置,可以获取不同的帘栅负反馈量的大小。通过试听,确定出超线性最佳抽头SG1、SG2位置。本机EL34屏流调到33mA,其屏压均为240V,输出变压器初级SG1、SG2抽头在6-7端子上,试听起来胆昧很好。
(四)大环路负反馈的调整
第一级SRPP电路的阴极分压电阻与末级输出变压器的输出一端之间,增加R17=5.1K 0.25W,则是大环负反馈电阻。因为电子管放大电路反馈的是电压,负反馈量不宜过大,一般为6dB左右,本机负反馈量调到4.7dB。整机有了大环负反馈后,会减少谐波失真,使频响展宽,听感较好。调整方法,主要是改变负反馈电阻R17阻值大小。反馈量的大小,根据放音效果如音场、定位、人声的甜美、音乐感来确定,以耳听满意为准。
如果负反馈电路刚一接通就发出叫声,这是负反馈的极性接反了,只要将负反馈的连接线改接在输出变压器的另一端上,此端改为接地即可。有的负反馈回路并联一只小电容,这只电容如果数值选择不当,可能会引起失真或自激,因此,发现此现象时,干脆去掉小电容。[!--empirenews.page--]
(五)整机测试
各级放大电路调试完后,输出端接8Ω假负载,输入端输入1kHz、200mV正弦波信号,调整音量电位器音量,在各级屏极用SR8示波器,观察输出信号为最大不失真输出电压波形条件下,测量各级电压放大倍数。各级电子管电压、电流、电压放大倍数测试结果。
