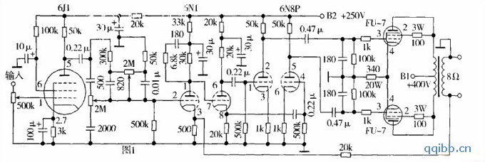
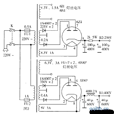
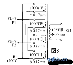
自制一款优质的胆功放,其电路原理如图1所示。供电电路如图2所示。推挽输出变压器制作原理如图3所示。该机的谐波失真为0.3%时,输出功率为lOW。通频带从15H:一22kHz。另装有音质调节电路。
制作要点:(1)选择设计优良的电路图;(2)选择优质的元器件;(3)有一只失真小、效率高的输出变压器,以及功率较大的电源变压器;(4)选择高性能的电子管,军用品更佳。
这台自制的优质胆功放,造价便宜。变压器和电子管从旧货电子市场购买,多数是库存积压,也有拆机管。购买电子管时,鉴别方法为灯丝不断、管子不漏气。变压器购回后,按图2.图3重新绕制。



元器件选择:(1)功放级采用两只FU-7(}!外型号为807;(2)倒相级采用6N8P;(3)前置放大及音质调节级采用6J1、6N1,该部分单独供电,并经严格隔离,尤其是6,11,最好单独加隔离罩,周边再加金属隔离板。
注意事项:输出变压器在该功放中十分重要。若购买的成品得不到满意的匹配,就自己动手加一「。笔者采用国产D44硅钢片,E型铁芯尺寸为32 x 32mm,用2mm厚纸板制作成绕线骨架,再用青壳纸垫两层,便可按图3所示绕线,初级线圈用0.17mm的漆包线、次级线圈用0.8mm的漆包线。按如下次序制作:(1)绕初级线圈1000匝,为第1组;(2)再绕1000匝为第n组;l川绕次级线圈125匝,为第IIl组;(4)再烧初级线圈11100匝为第W组;(5)最后绕1000匝,力第V组。初级线圈抽头用红黄两色塑料套管,始端黄,尾端红。
加工完后最好用摇表测量其绝缘电阻,先测初次级之间是否绝缘;然后测各绕组之间绝缘电阻;再测初级对铁芯绝缘电阻。最后用交流25V电源,在次级线圈8 SZ两端通电,检查初级四个绕组的输出电压是否相等。只有完全合格,才可以烘干后再浸漆。电源变压器与输出变压器加I方法基本相同。滤波线圈制作:E型铁芯尺寸为25 x 25mm,用0.29mm漆包线绕2100匝,只要绝缘合格,铁芯同一方向插片,横片留lmm空隙,外面加上全封闭隔离罩即
可。
该功放多采用金属膜电阻。_5W及20W电阻为线绕电阻。
该电路所采用的电容,不允许漏电,尤其是推动功放管的两只0.47 w F栅极祸合电容,以及推动倒相级两只0.22 w F电容,这四只电容,不但参数要分别一致,而且耐压较高,该功放采用的是600V铁壳无极性电容。音质调节电容最好用涤纶电容,不但耐压要高,误差要小,而且不允许有微小的漏电现象。
调试时,最好用示波器及音频信号发生器、频率计等检测,测试范围从15Hz一1kHz, 1一lOklfz, 10一22kHz,检查失真度并加以校正。
该功放若能配上较好的音箱及良好的放音环境和DVD音源,可与数千元价位的功放机媲美。