笔者曾做了一台845单端甲类胆机,搭配形式为大家司空见惯的6N8P和6P3P推845.在此基础上将6N8P前级的SRPP电路改为6J8P;推动级的6пC(前苏联制造)阳极放大电路改为阴极输出电路,如图1、图2所示。试听结果优于6N8P的SRPP电路。
该机实实在在、物美价廉、好听耐用,现将此胆机的做法呈上。
一、845单端甲类胆机的设计思路
1.1 前级与推动
采用国产管6J8P(属于中高频电压放大五级管),该管以音乐味浓郁而著称,曾被世界多种名机采用。为充分利用该电子管的放大特性, 根据电子管手册中给出的6J8P的静特性曲线(如图3),为使Eg2= 100V, 特意在Eg2上使用51 kΩ 和33 kΩ 的分压电阻。根据串联电阻的电压公式V2=V×R2/(R1+R2),33 kΩ 分压电阻上的电压V2=250×33 kΩ/(51 kΩ+33 kΩ)=98 V。再经过电容滤波(C4,220 uF/220 V), 电压可稳定在100V左右(有名气的胆机则会去掉C3,R1, 采用WY3P进行直接稳压效果更好)。根据6J8P的静特性曲线, 设电源电压为250 V, 阳流为8mA, 负载电阻则为Ra=V/I=250 V/0.008 A ≈30 kΩ 。以(250V,8mA)为原点画一直线MN,即为该管的动特性曲线,确定其上a,b两点的中心点Q, 那么相对应的栅极电压为 Eg=-2.5 V。可以看出,6J8P采用标准接法的最佳静态工作点Q 为Ea=130V,Ia=4mA,Eg=-2.5 V, 保证了“Q”点处在甲类放大状态下,从而在理论上先进行Hi-Fi放大。同时,作为前级电压放大, 只要输入音频信号电压在0.5~1.5 V(现代音源设备,输出信号电压多为1 V左右),输出交流信号电压就可达约100V,经6п3C做阴极输出,在提高推动电流的同时,又能降低输出阻抗。
阴极输出器的输入电容很小,在频率不太高时,输入阻抗近似等于栅漏电阻,其数值很大,因此与信号源相联接时可在信号源的输出端获得较高的电压。另一方面,阴极输出器的输出阻抗很小,并且放大量接近于1, 因此接在阴极输出器的输出端的负载电阻RL,也能获得所需要的高电压。如果使输出电阻R=RL,那么在负载电阻RL上可得到最大输出功率,完全可以推动845做功率放大。
该前级与推动电路(参考了某军用发信机栅调幅推动FU-13电路)其优点在于结构简单,线性好,过载能力强,电路相移少,输入阻抗高,输出阻抗低且与6п3C配合完成前置放大及后级的推动任务。


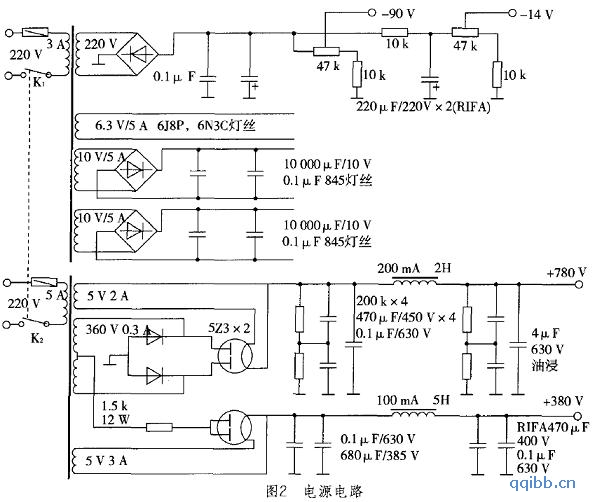
图2 电源电路

图3 6J8P电子管特性曲线
1.2功率放大级
为充分发挥845电子管高保真音质的潜能,采用无负反馈单端甲类输出电路。
根据845电子管的静态特性曲线(如图4), 基本参数和已知的电源电压780V,输出变压器初级端的交流阻抗5.5 kΩ。确定Q点为甲类状态Ia=100mA,Ea=780V,并根据输出变压器初级的交流阻抗5.5 kΩ。使Eamax=1150V,Iamax=200mA,(Ra=1150V/0.2=5750 Ω≈ 5.5 kΩ),经过Q点做一斜线MN,即为845的动特性曲线。根据这条斜线,可看出与其相应的栅偏压为Eg=-90 v(此线路已有不少文章说明,这里不在赘述)。
最大理论输出功率:P1=[(Eamax-Eamin)/2]× [(Iamax-Iamin)/2]/2=20W
阳极电源所供给的功率 Po=Ea×Iao=78 W
放大器的阳极效率 ηa =P1/Po=20 W/78 W=25.6%
综上所述,得出整机电路图以及各点电位数据,如图1所示。

图4 845电子管特性曲线
1.3电源部分
根据单端甲类功放的工作特性及对电源技术要求较高等特点,笔者采用灯丝,高压两个变压器,有效防止共用一组电源造成信号回路的声道串扰,如图2所示。400W 的升压电源变压器,采用军用通信机上的拆机品,自绕灯丝变压器。高压直流部分,是将双360 V分两路进行电子管(5Z3)整流滤波,其中一路采用胆石结合的全桥整流电路,这种做法既能满足高压延时供电,又可有效防止高压冲击电子管,在提高电子管使用寿命的同时,又能使声音的表现厚实稳定而具有活力,胆味浓郁且动力充沛。[!--empirenews.page--]
二、元器件的选用
2.1 输出变压器
定制的输出变压器型号为kse75A,输入端阻抗为5.5 kΩ,输出端阻抗为0 Ω,4 Ω,8 Ω,功率50 W,该产品是采用分层分段设计,用电缆纸作层间绝缘,耐高压,频率特性好,性价比较高。经使用验证,具有比较好的音色表现力和良好的绝缘性能。
2.2电源滤波组件
在不同的地方分别采用国产的4nF/850V,0.1uF/630V油浸电容,德国的FRAKO 470uF/400V电解、瑞典的RIFA470 uF/400V电解和日本化工470 uF/450V电解电容,且与扼流圈(200mA/2H,100mA/5H)组成Π形滤波电路。实践证明,这样做的滤波效果特别好,突出的感觉是背景宁静。C3,C4作为前级滤波,特意采用FRAKO 10uF/385V油浸电容。连接导线采用了导电性能比较好的“银包铜”多股铜线。
2.3其他组件
值得一提的是,电路图中采用极为简单的电容耦合方式,因为C1,C2起着承前启后的作用,笔者使用了0.1 uF/1000V “维他命”银膜电容(二手产品)和较为优质的瑞典ERO 2.2uF/220V MKP蓝色电容,阴极电阻采用美国的DALE高精度无感轴向引脚发烧电阻,其他电阻选用国产军用“大红炮” 即可。旁路电容和栅极负压(这点非常重要,往往被人们所忽视)的整流滤波,均采用金黄色瑞典的RIFA电容,对整机的音色起到比较重要的调节作用。
三、功放组件的安装
(1)机座设计采用2 mm厚的钢板冲压制作,并刷防锈漆,喷黑色金属漆,烤干即可。
(2)安装机座上所有的插接件及音量电位器;变压器和电容器;设置地线。
(3)选择较粗的双芯屏蔽线(实践证明这样做,交流干扰声特别小)作为前级交流灯丝的连接线,且紧贴于底板走线;屏蔽层接地;开机首先检验各灯丝电压是否正确。
(4)使用单芯镀银屏蔽线和卡达时RCA镀金插座,焊接信号线,要紧贴底板边缘走线。
(5)合理选择布置电阻和电容的位置;并按电路图搭焊。
(6)初调栅负压,使6п3C的栅负压为-14 V左右,845的栅负压为-90V。
(7)最后连接高压电路,通电测量各管阴极(对地电阻的电压)和阳极(对地电压)是否符合电路图中所给定的参考数据。如不符,先考虑微调栅负压,再检查其他电路。
四、检查与调试
连接假负载或扬声器, 使845的栅极负压为-90v,此时阴极电阻两端直流电压为4 V左右,根据I=V/R=4 V/41 Ω≈ 0.1 A,阳极电压为740 V。使6п3C的栅极负压为-14 V,阴极电阻R=V/I=100V/20mA=8 kΩ 接近10 kΩ,两端直流电压为100 V,正好与845极级衔接。各点电压尽量符合电路所标出的具体数据,使845,6п3C的静态工作点Q都位于甲类状态,以确保Hi-Fi放大。
使用GB-98型真空毫伏表,测量无信号输入时,负载(扬声器)两端的电压应为7 mV,若达不到此标准(耳朵距离音箱50 cm听不到交流声为原则),就应检查布线及滤波电路是否正确,使用的滤波元件容量是否够标称值(购买电容时,最好用电容表测一下)。输入音乐信号,电位器置于最大状态,使用GB-9型电子管电压表测负载(8 Ω)两端电压为12 V,额定输出功率根据P=I×V=12/8×12=18W,接近前面提出的理论值。
五、6J8P与6N8P的音质比较
(1)使用了6J8P后,再与6N8P的SRPP电路比较,真有点“雨后苍山青, 日红潭水绿” 的味道。音乐细节更多、更清晰、更艳丽。
(2)前级采用6J8P(6ж8前苏联型号)进行电压放大, 推动管采用6п3C(6P3P,6P6P), 功率管采用845,这样的搭配可直接与CD机衔接,不需要专门设置胆前级,而音色各有千秋。
(3)由于使用了档次较高的阻容元件(尤其是级间耦合电容),使音色有了质的改变,典雅温厚,浪漫飘逸,尾韵悠扬,一种胆机的贵气悠然而生。
(4)因为去掉了负反馈电路,使其音乐细节及信息量大增,低频弹跳力强,轻松而自然,甜美而丰润。
(5)价廉物美,性价比高,电路简单,容易制作,很适合具有动手能力的同行们操作。
六、试听与主观评价
试听采用马兰士CD-7型,HL Compact 7ES音箱,超时空RSC-CD信号线,MITT2双线分音扬声器线。
首选CHAN9662《茶花女》咏叹调幻想曲,由蒙特尔利室内乐团演奏,充分体现出雍容华丽的曲风,其线条的细致与顺滑,如精雕、如流水,令人不由屏息静听。再听《红魔鬼》第九段,那令人心惊胆颤如裂石的鼓声,破空而出;金蛇狂舞般的响鞭,扣人心弦,高潮频起。其频带之宽,动态之大,音色之细,真有点非亲历其境而无法用语言表达的感觉。不知不觉窗外飘起了小雪花,心境舒畅、宁静无比。一张《黑教堂》仿佛把听者带进了庄严肃穆、演唱圣歌的教堂之中,每个人的心灵都受到洗涤、净化,达到一个新的境界。[!--empirenews.page--]
主观评价该机,动力强劲,声底宁静,音色较为明亮,泛音丰富,解析力高。拔下6J8P换上6ж8(前苏联型号)之后,更感音质晶莹通透,醇和厚实,能忠实再现音乐本身的内涵。