1.现在很多自己动手制作胆机的朋友很多都是按照一些参考电路来仿制,其对参考电路中的很多技术参数心中并不清楚,只是照葫芦画瓢,心中没底自然设计出的成品就不一定能达到预期的效果。我根据自己的一点点知识和经验与大家共同探讨一些胆机设计、制作中的问题。如有不妥望大家批评指正。本文主要探讨单端甲类小功率胆机中的一些问题,因为甲类单端胆机是音色最好的电路形式一,也是发烧友们自制较多的电路形式之一。
2.由于电子管电路及其应用的知识是上个世纪五.六十年代的教科书中才有,以后基本上就没有传授电子管知识了。所以稍年轻一些的发烧友对电子管知识了解得不是很透彻。
输出功率的考虑
1.输出功率的计算方法有很多不同的版本,各版本的计算结果基本相同,只是计算所需的参数不同。现提供一个比较简便的计算公式供大家参考:I2×R/2。式中I2为静态电流的平方,R为输出变压器初级阻抗又称负载阻抗。经过大量的实践这个公式的结果是比较准确和实用的。
2.甲类单端胆机这种形式一般采用单只功率管进行放大,受功放管自身最大耗散功率的限制,输出功率一般都不会很大,常见的电路中输出功率一般在1W-15W之间。表1是一些常见功放管组成的甲类单端功放电路的输出功率和一些常用参数。
输出功率值与屏极工作电压和负载阻抗(输出变压器初级阻抗)有很大关系,任何一个数据的变化都会引起输出功率值的变化。适宜使用的场合与所用音箱的灵敏度有关,灵敏度越高使用面积越大。
电子管型号 灯丝电压灯丝电流 最大屏极耗散功率 管脚形式 电源变压器功率 输出功率 适宜使用的场合
KT88,6550 6.3V/1.6A 40W 8脚管座 150W 15W 30平米以上的房间
EL34,6CA7 6.3V/1.5A 25W 8脚管座 120W 11W 15-30平米的房间
6L6G,6P3P 6.3V/0.9A 19W 8脚管座 100W 8.5W 15-30平米的房间
807,FU-7 6.3V/0.9A 25W 5脚管座 100W 10W 15-30平米的房间
6P14,EL84 6.3V/0.76A 12W 小9脚管座 80W 5.4W 15平米以下的房间
6P15 6.3V/0.76A 12W 小9脚管座 80W 5W 15平米以下的房间
6V6,6P6P 6.3V/0.45A 12W 8脚管座 70W 3.8W 15平米以下的房间
6P1 6.3V/0.5A 12W 小9脚管座 70W 5W 15平米以下的房间
屏极工作电压的考虑
在电子管手册中我们都能查到功放管的典型应用参数,一般都有屏极工作电压这个参数,例如6P1电子管的屏极电压手册上推荐为250V,有很多制作图纸和发烧友在实际制作中都按照这个参数来选择电源变压器的交流输出电压,实际上这样是不好的,并不能很好的发挥功放管的性能,因为在屏级回路中串有输出变压器。输出变压器的初级线圈是有直流电阻的,当静态电流流过初级线圈时便会产生电压降,这时加到电子管屏极的直流工作电压就会降低,其它参数随着屏极电压的改变也相应变化,我用下面的图1和表2给大家说明。

我们可以看到按照手册上提供的屏极工作电压接上输出变压器后,真正供到电子管屏极的工作电压比手册中的典型工作电压下降了22V,下降了22V后整个功率管的其他参数有何变化呢?请看表2的对比。
手册中参数 有输出变压器时的参数
屏极工作电压V 250 屏极工作电压V 228
帘栅压V 250 帘栅压V 228
栅负压V 12.5 栅负压V 11.4
屏极静态电流mA 44 屏极静态电流mA 38
最大屏极电流mA 88 最大屏极电流mA 76
帘栅电流mA 7 帘栅电流mA 6
屏内阻KΩ 42.5 屏内阻KΩ 44.5
跨导mA/V 4.9 跨导mA/V 4.67
输出功率W 5 输出功率W 3.97 [!--empirenews.page--]
可以看到其数据的变化,由于现在对输出变压器的频响要求比早期要求更高,初级线圈的匝数也多,直流阻抗较大。所以我们在自制胆机时屏极供电电压一定要考虑输出变压器初级线圈产生的直流电压降,这样才能达到手册中提供的应用参数。
输出变压器的考虑
输出变压器是胆机的灵魂,如果没有输出变压器的存在也就不会有所谓的胆味存在,在所有元器件参数不变的情况下更换不同厂家的输出变压器,其重放的声音也是不一样的。在自制电子管功放时输出变压器的设计制作就决定了最终重放声音的结果。输出变压器的设计也有许多版本,下面例举两种计算方式供大家比较(见表3和图2),我们以其中电感量(L)的计算为例做一说明。
电感量的计算

率(单位Hz)。3.14为最低低频频响为-1dB时的常数。而第一种计算方式中的常数0.159是基于最低低频频响为-3dB时的数据,所以要根据自己对最低低频频响的需求来选择计算公式。从以上两个计算公式可以看出不同版本的计算公式最终的结果是不相同的。
我们现在能在各种刊物上见到的输出变压器设计资料大多是很多年以前的资料,而且有些还不完整,各个厂家对输出变压器的数据是保密的,这就给一些想自己动手的朋友带来不少麻烦,所以在业余条件下自制的单端输出变压器成功率并不高。哪么在业余条件下能否制作出高品质的输出变压器呢?回答是肯定的,我将自己制作输出变压器的一些经验提供出来供大家参考,没有详细的计算公式。但这样做出来的输出变压器性能已经很好了。
最低重放低频下限的确定:
甲类单端电子管功放的输出功率都不是很大,选择最低重低频下限频率应根据输出功率和所接音箱的低频下限来综合考虑。一般输出功率低于5W时下限频率选择在50Hz,5W~10W时可选择30Hz,10W以上可选择下限频率20Hz.
初级电感量的选择:
初级电感量可以按-1dB时的公式
来计算。
平均磁路长度的计算:
一般公式中计算平均磁路长度都很麻烦,现提供一个最简单准确的计算公式,5.57×舌宽=平均磁路长度(EI铁芯)
以上三种数据是保证输出变压器品质的重要参数,不论你用哪种设计计算公式都应引起重视。
业余条件下铁芯的选取:
按照惯例制作单端输出变压器都是选取EI型铁芯,但用EI型铁芯在业余条件下制作输出变压器存在许多不便,线圈不易拉紧,而且各段线圈松紧不易保持均匀。装好铁芯浸漆后要想调整初次级线圈圈数时拆卸非常麻烦。所以我在业余制作输出变压器时都选用R型,C型或环形铁芯,R型和C型铁芯可以直接使用。环形铁芯取材容易,旧电器市场上价格很便宜,早年生产的环形变压器很多都是日本进口0.35 mm冷轧硅钢带卷绕而成的性能很好。不过用环型铁芯做单端输出变压器时一定要留空气隙,我的方法是用电火花机床在环形铁芯上切割0.1mm的缝做为空气隙。另外在选环形铁芯时要注意,有些铁芯不是用一根硅钢带完整卷绕的,这种铁芯不能用。
怎样用环形铁芯制作输出变压器
1.首先选择两只性能一致的环形变压器,由于市场上环形变压器的功率大都在50W以上,所以一般选择50~100W这种规格的铁芯。选好后仔细检查铁芯浸漆是否牢靠,这点很重要。如不牢靠,切割时因张力的作用很容易变形或散掉。确认牢靠后,用黄色封口胶带在铁芯上像穿漆包线的方式缠绕两三层,以确保切割后不变形。这时可用电火花机床对其切割,先切割一条0.1 mm的缝,看铁芯是否变形,如没有变形则垫入纸片用黄色封口胶带沿铁芯外园缠绕扎紧即可。如发现铁芯变形就在相对面再切割一刀,将铁芯一分为二,这就相似于C型铁芯的两半,稍加打磨后垫上0.1 mm的纸片,重新合拢缠上胶带即可投入使用。
2.技术参数的确定:
输出功率的确定:由于铁芯较大(50~100W铁芯)所以把输出变压器的功率确定为25W
功率频响范围:设定为(20Hz~30kHz,-1dB),己能够胜任现代音源的要求 [!--empirenews.page--]
初级阻抗的设定:由于制作输出变压器还是比较麻烦的一件事情,所以初级可以设计成多抽头形式以满足不同功放管的需要,分别为500Q,2700Q,3500Q,5000Q
初级线径的选择.由于窗口足够大,线径稍选粗一点为0.23 mm(按2.5A/mm)
次级线径的选择:选用1.08mm线径(按2.5A/mm2)
以上参数确定后即可进行绕制了,在上面参数中我没有给出初,次级线圈的圈数,这个数据在绕制工艺里交待,绕制变压器的工具和辅助材料就不详叙了应该都知道。但必须准备一个交流调压器和能测交流电流的万用表,这是很重要的工具。
3.绕制方法和工艺:
①先测量一下在铁芯上绕一圈的长度,再测量环形铁芯内圆的直径,计算出内圆的周长。用周长除以所用漆包线的线径,即可知道第一层大约能绕的圈数,按己知每圈的长度将线裁到穿线梭上,按放射状在铁芯上平绕一层,不要重叠以便计数。绕好后接上交流调压器和万用表交流电流档,将调压器输出端归零,然后通电慢慢往上调节输出电压,同时观察电流的变化,当电流达到10mA时停止调压,这时测量调压器的输出电压并计算出每伏交流电压所需圈数,甲类单端功放在工作时音频电压一般不超过250V,用己知每伏圈数×250=初级所需总圈数。
②计算依据和公式:


电源供电问题考虑
电子管功放的供电与普通晶体管功放不同,单端甲类电子管功放开机后其静态功耗占到总功耗的一半以上,而普通晶体管功放开机后的静态功耗不到总功耗的10%,所以两者是有区别的。
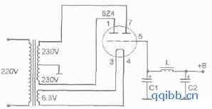
一个典型的小功率电子管电源电路,从图中我们可以看到,高压部分为带中心抽头的两组线圈,经双真空整流二极管6Z4进行全波整流,由C1、L、C2组成CLC型电路进行滤波,这种电路有两个缺点:(1)次级高压需要两组线圈,自制时绕的两个线圈不易对称,造成两组线圈输出交流电压不一致。由于受到铁芯窗口限制,一般线径都较细,所以线阻较大,带上负荷后压降也大。(2)由于受到6Z4整流管最大屏流的限制(300mA),C1的容量不能过大,因为电容器C1的容量大时,开机时电容的瞬间充电电流可能超过6Z4整流管的最大屏流值,造成整流管6Z4的损坏。所以这种电路的滤波电容容量都选得较小,滤波效果也就不太理想。而且滤波电感L在业余条件下也不易做好。

图给出了一个整流滤波电路,该电路中变压器次级高压只有一个线圈,这样在铁芯窗口相等的情况下线径可选粗一点,绕制时也方便简单得多,高压绕组先经过晶体二极管进行桥式整流,这样电容器C1的容量就可增大至数百甚至上千uF,经C1滤波后的直流再经6Z4进行二次整流,这样做的目地是6Z4整流管具有高压延时的作用,可防止对功放管屏极的损坏和省略高压延时起动电路,而且比单纯用晶体二极管整流更具有胆味,电容器C2的容量一般选择200u F以下,由于整个电路中滤波电容有足够的容量并进行了二次整流,这个电路输出的直流电源纹波已经很小了,这对保证整机装好后有一个宁静的背景创造了条件。根据功放电路对电流的不同需求可选择相应的电子管整流管。

如果手中没有合适的电源变压器时,可利用一些替代品来改制。业余条件下可用旧的电脑开关电源来改制,一般现在淘汰下来的ATX电源功率都在200W以上,其输出功率基本能满足各种单端甲类胆机双声道功放的要求,现将改制方法介绍如下:图4是一款经典的ATX电源简化图,从图中可以看到整个开关电源的核心为控制驱动IC TL494或KA7500B,以上这两种驱动IC都具有输出电压可调的功能,拿到这种电源后,先在风扇回路中串入三只硅二极管以防调整输出电压时损坏风扇。然后找到与IC第1脚相连的分压电阻,找到+5V输出取样电阻,将其拆下,用一个阻值稍大的可调电阻代替,通电后慢慢调节可调电阻使+5V端的电压升至6.3V即可。这时测量可调电阻的阻值并用固定电阻重焊回去,这样原5V输出就变为6.3V,供应所有电子管灯丝使用。完成上述步骤以后将变压器拆下来,记下每个绕组的引脚。然后将磁芯拆开,依次将原线圈拆除并详细记录每个绕组的圈数。由于原开关电源磁芯窗口太小放不下高压绕组,所以需要另外选择磁芯窗口大一点。的,在旧的彩电开关电源板上很容易找到,买一付新的磁芯和骨架也不贵,一般2-3元即可。[!--empirenews.page--]
一般ATX电源的脉冲变压器的绕组结构见图5,为了满足5V/22A电流的需要,一般5V绕组采用三股0.83mm的漆包线并联使用,12V/8A串联于5V绕组上用双线并联使。而我们用于胆机供电时,用不了那么大的电流,所以在重新绕制时需重选漆包线的线径,具体的绕制参数见图4中的标注。将改绕好的脉冲变压器顶部向下,用粘合剂粘在印板上固定,然后将初级线圈、5V、12V线圈分别连接到印板上原位置,高压用的4只快恢复二极管采用搭焊方式,焊在脉冲变压器的空置引脚上选择所需电压端的抽头焊上。然后通电检查5V端子看能否输出6.3V的直流电压,如能输出6.3V直流电压说明脉冲变压器改制成功,如电压偏差在15%以内可重新调整取样电阻的阻值来满足,如偏差太大则应检查脉冲变压器绕制数据,不行则需重新绕制。检查散热风扇的电压情况,根据情况增减串联在风扇电源电路中二极管的数量以保证电压稳定在12V,使风扇能安全稳定地工作。这样改制的ATX电源就可以用于胆机的电源供应了,当然用开关电源为胆机供电这个问题在圈内一直有争议。这就看设计者自己怎么选择了。根据我个人使用这两种电源的情况来看,开关电源对音质并没有什么影响,而且灯丝供应还非常稳定,不会受到市电变化的影响,重量也比铁芯式变压器轻很多。

如果手中没有合适的电源变压器时,可利用一些替代品来改制。业余条件下可用旧的电脑开关电源来改制,一般现在淘汰下来的ATX电源功率都在200W以上,其输出功率基本能满足各种单端甲类胆机双声道功放的要求,现将改制方法介绍如下:图4是一款经典的ATX电源简化图,从图中可以看到整个开关电源的核心为控制驱动IC TL494或KA7500B,以上这两种驱动IC都具有输出电压可调的功能,拿到这种电源后,先在风扇回路中串入三只硅二极管以防调整输出电压时损坏风扇。然后找到与IC第1脚相连的分压电阻,找到+5V输出取样电阻,将其拆下,用一个阻值稍大的可调电阻代替,通电后慢慢调节可调电阻使+5V端的电压升至6.3V即可。这时测量可调电阻的阻值并用固定电阻重焊回去,这样原5V输出就变为6.3V,供应所有电子管灯丝使用。完成上述步骤以后将变压器拆下来,记下每个绕组的引脚。然后将磁芯拆开,依次将原线圈拆除并详细记录每个绕组的圈数。由于原开关电源磁芯窗口太小放不下高压绕组,所以需要另外选择磁芯窗口大一点。的,在旧的彩电开关电源板上很容易找到,买一付新的磁芯和骨架也不贵,一般2-3元即可。
一般ATX电源的脉冲变压器的绕组结构见图5,为了满足5V/22A电流的需要,一般5V绕组采用三股0.83mm的漆包线并联使用,12V/8A串联于5V绕组上用双线并联使。而我们用于胆机供电时,用不了那么大的电流,所以在重新绕制时需重选漆包线的线径,具体的绕制参数见图4中的标注。将改绕好的脉冲变压器顶部向下,用粘合剂粘在印板上固定,然后将初级线圈、5V、12V线圈分别连接到印板上原位置,高压用的4只快恢复二极管采用搭焊方式,焊在脉冲变压器的空置引脚上选择所需电压端的抽头焊上。然后通电检查5V端子看能否输出6.3V的直流电压,如能输出6.3V直流电压说明脉冲变压器改制成功,如电压偏差在15%以内可重新调整取样电阻的阻值来满足,如偏差太大则应检查脉冲变压器绕制数据,不行则需重新绕制。检查散热风扇的电压情况,根据情况增减串联在风扇电源电路中二极管的数量以保证电压稳定在12V,使风扇能安全稳定地工作。这样改制的ATX电源就可以用于胆机的电源供应了,当然用开关电源为胆机供电这个问题在圈内一直有争议。这就看设计者自己怎么选择了。根据我个人使用这两种电源的情况来看,开关电源对音质并没有什么影响,而且灯丝供应还非常稳定,不会受到市电变化的影响,重量也比铁芯式变压器轻很多。

与音箱的搭配问题
甲类单端胆机的输出功率都较小,在一与音箱搭配时应考虑到这个因素。现在生产的扬声器为了降低自身的失真大多灵敏度都偏低,对于甲类单端胆机来说,推起来有些困难。与甲类单端胆机搭配时最好选择一些灵敏度较高的音箱,灵敏度的高低不仅与扬声器自身的灵敏度有关,而且与音箱箱体的结构形式有密切关系。在常见的几种音箱箱体结构形式中灵敏度从高到低依次为,号角式音箱,传输线式音箱,倒相式音箱,密闭式音箱。号角式音箱应该是甲类单端胆机的首选。因为在扬声器单元不变的情况下,号角式音箱的灵敏度比密闭式音箱要高约10dB,这就意味着这只号角式音箱在输入功率相同时所产生的声压比同等体积的密闭箱大10倍,这对甲类单端胆机重放高保真信号非常有利。但号角式音箱的制作难度较大,在自制时应充分估计到其难度。下面给出一个音箱灵敏度与所需输入功率的关系表供大家在选择音箱式参考。[!--empirenews.page--]
从音箱扬声器形式来说我个人认为还是选择全频式单元结构为好,因为选择两分频或三分频结构虽说能扩展高、低频的功率频响范围,但增加分频器后会增加插入损耗,使甲类单端胆机的负荷增加。另外整个频响曲线都会受到分频器的品质影响。而且胆机受到输出变压器功率频响曲线的限制,也不可能像晶体管功放那样,能输出低至几Hz高至数+KHz的音频功率。所以说与甲类单端胆机配接的音箱没有必要盲目的去追求超宽频响的音箱,应根据自已胆机输出变压器自身的频响范围来合理选择音箱的频响范围。