300B甲类单端输出胆机的音色,迷到了多少发烧友,至今港台仍有许多资深的发烧友乐此不疲的玩它。甚至有人把它喻为发烧的至高境界。但是不足十瓦的功率,限制了它不能使用一些低效率的高品质音箱。这不能不说是一大遗憾。如果说有一部既 有300B单端输出的音质,又有推挽输出的效率,动态,阻尼,解析力都超过它的优秀 胆机,相信是众多发烧友梦寐以求的。
经过一年多的反复制作和调校,终于制作出了这款超级双单体的甲类推挽 胆机。在此奉献给发烧友。如果你是位DIY烧友,耐心看完这篇文章后,不由你手心 不发痒。
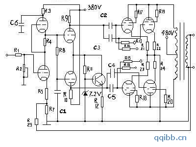
为了让大家省去制作过程中的许多麻烦,我在此作一些必要的经验介绍。电路特点,本机采用一级SRPP电压放大,一级长尾倒相电路,和FU-7双管并联放大。曾试着在倒相电路后插入一级阴极输出器,为的是减轻倒相电路负载,提高驱动力,结果是中低频更加丰厚,但是金丝绒般的高音找不到了,只好去掉。这一措施用在一些低档胆机电路中摩机每每凑效,但在这里不灵了。只要增益够用,多一级不 如少一级,“简为上”音响界永远的至理名言。
第一级采用12AU7[6N4]作SRPP放大,取其高频响应好,音色比较中性。使用6N4 可使电压级有足够的增益,“胆味”更浓。6DJ8[6N11]在这里能得到更高的解析力 动态越见出色。但增益不够,“韵味”也少了些。
第二级使用6SN7H[6N8P]加衡流源组成了长尾倒相电路。约有15db的增益。衡流源的加入,有利于倒相电路两臂的平衡,和降低失真。倒相级的工作电流,对整机的第三级功率输出级采用了四只FU-7并联推挽输出。起用FU-7不单纯是为了廉价更重要的是他的人声表现能力与大名鼎鼎的300B不遑多让。还有一点就是由于本机采用双管并联输出,一般说来,胆管并联后,声音取向上中低频变厚,高频变蒙,解析力有不同程度的下降。不同的胆管各有差异,曾试过EL34,KT88,并联后的总体表现,除去输出功率增大外,整体表现是不如单管。而FU-7在6000欧左右负载时双管并联和单管运用时,高频差别极微,中频质感增加,人声更加丰厚。

动态,控制力,输出 功率提高,自是在预料之中。每一只FU-7工作在470V 50MA,功耗约23W左右,接近FU -7的最大阳极耗散功率25W,但只要挑选正品管子毫无问题。
笔者的样机已经使用了一年了未见任何老化现象,何况他的价格只有KT88的四分之一。FU-7是最超值的胆管 之一。 FU-7接成三极管接法,其音质早有定论,虽然少了一点威猛阳刚之气,采用双 管并联后可以祢补一部分。由于整机的开环特性很好,所以本机的大环路反馈取值较低。有效的降低了大环路反馈所带来的瞬态失真,高频相移等负面影响。使得本机有着非常优良的瞬态响 应。整机只有一级电容耦合,容量很小,对音质的影响不是很大。可以选用补品电 容。笔者用WEMA电容,取其中性,解析力好。输出变压器是一部胆机制作成败的关键,本机采用优质铁芯和无氧铜线自行绕制。只要精心仔细,按图无误,成功率极高。比一些徒有虚名的成品输出牛好的多。铁芯尺寸取大些中低频好,但漏磁,漏感,分布电容都大,高频频响下降。铁芯取小些,中高频不错,但中低频差些,声音薄。笔者经过无数次实验,取4X6铁芯按图精 心绕制。取得了良好频响。听感上也极靓声。电源部分十分重要,本机是双单体设计,需要制作二只电源牛。笔者采用450W 铁芯常规绕制。不再赘述。阻流圈是个累赘,只要电源的直流波纹足够小,不用更好。
整流后除了第一级滤波采用了电解电容外,其他滤波电容全部采用CBB60聚丙稀电容 再加并0。68 CBB小电容。可选用电机启动电容30UF/500V的多只并联使用。如果底版空间足够大的话,能把第一级滤波电容换成CBB更好。但容量要足够,不得低于90UF/ 500V 。你会发现这是一个靓声“绝招”。笔者在给胆机摩机时经常采用此法,屡试屡灵。在中频质感,解析力上明显胜过“高速电解”“音频专用电解”。再次说明容 量要够大,耐压要有余量,否则滤波不干净的电源,会严重影响音质。
[!--empirenews.page--]
调试:
1.调节四只栅负压调节电位器,使对应四只FU-7的电流为50MA,工作 一小时后再调整一次。
2.调节衡流源电阻R12,使倒相级电流为5MA。
3.SRPP放大级的电流不得低于3MA,否则音效打折扣,可增减电阻R3达到。
4.12AU7与6SN7H的灯丝不接地,而是通过分压取出100V+电压,通过二只平电阻加在灯丝两端,电路图中没有画出,读者可自行设计。这是因为这两级的阴极电 位都在100V以上,超出了最大阴极灯丝间电压。
5.校对负反馈相位。由于本机负反馈量很小,相位反接时不一定啸叫,可短 开负反馈实验,如断开后音乐声音变大,说明反馈相位正确,如果声音变小,说明相位接反。可调换输出牛两个输入端接线。 注意观察无信号时如FU-7屏极发红高音喇叭有不规则杂音,说明有高频自激,可将FU-7的顶部屏极引线自绕五圈形成一个小电感,一般可解决。
6.倒相级供电380V可以提高至430V。动态更大,控制力更好,但音色偏硬一点。本机可直驳CD机。 再接驳前级,反到有些画蛇添足! 本机主要性能测试:
功率: 35X2 8欧
失真: 0。5% 1KHZ 5W
频响: 18--30000Hz 正负3db