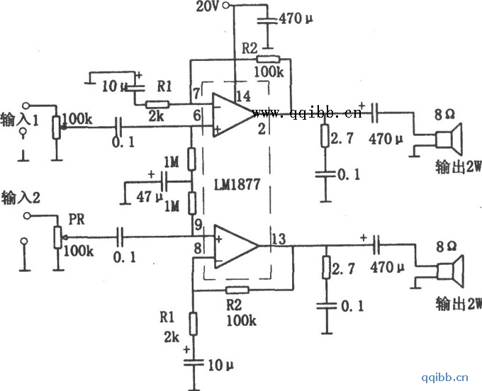
如图所示为2W×2音频功率放大器:该电路采用了双集成运放LM1877作为放大器件。由图可知,电路为上、下对称结构,有两路信号分别加到LM1877的两个运放的同相输入端,其输出端外接方式相同:由2.7Ω电阻和0.1μF的电容组成高频滤波电路,以防止高频自激;耦合电容Co(470μF)和负载电阻ZL(喇叭:8Ω)将输出功率转换为声音输出,且Co和ZL的大小还决定了电路的下限截止频率fL,三者之间的关系为:fL=1/(2πZLCo),对于图示参数,其fL=42Hz。电路中,输入端的100kΩ电位器为音量控制元件,0.1μF的电容为耦合元件(隔直流,通交流)。由于LM1877内部的两个运放均采用同相输入方式,因而其输入阻抗很高,电路的电压放大倍数由反馈支路电阻R2和Rl所确定,即Av≈R2/R1=100kΩ/2kΩ=50。该电路的电源电压为20V,每一路的输出功率均为2W,电源电流约为500mA,因此两路输出时,其电源电流可达1A。

LM1877的电源电压的工作范围很宽,约为6~24V,需要小功率输出时,可适当降低电源电压,其开环输入差模电阻约为4MΩ。