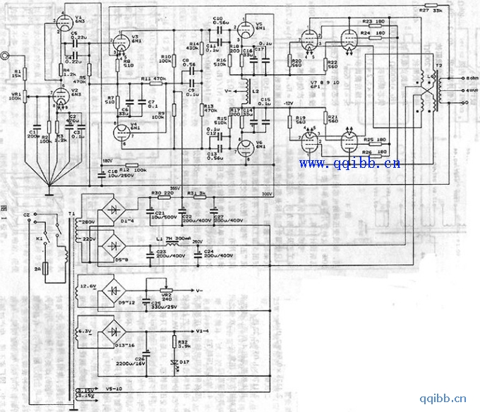
一代铭器.麦景图胆机电路

📅 发布时间:2013-09-05 19:00 👁️ 浏览:3 🏷️ 标签: 胆机电路

   1949年弗兰克·H·麦景图和柯丹·J·高在纽约附近一小城镇创立了Mclntosh麦景图 公司。至今已有60年历史的麦景图依然充满活力,不断推出高品味的新产品,成为世界上 一流的音响公司。很多音响发烧友都知道麦景图的大名。

觉得这篇文章有帮助吗?