6AQ5W 6005UL单端四声道放大器电路原理图

📅 发布时间:2013-09-05 19:00 👁️ 浏览:0 🏷️ 标签: 6AQ5W 6005 UL 单端

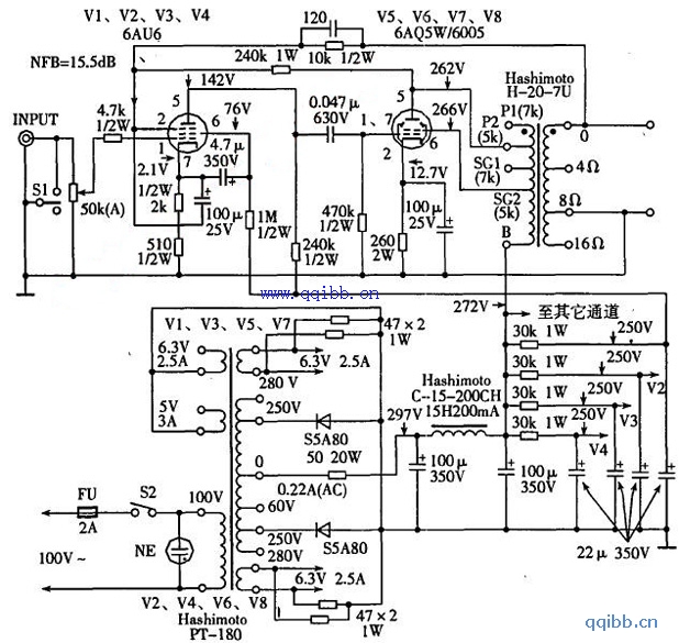
   6AQ5W/6005UL单端四声道放大器电路原理如附图所示。附图中仅画出—个声道。4个声道统—使用一只电源变压器供电压放大部分使用东京光音的4CP-2508-SA型4连音量电位器,同时调整4个声道音量。输出级采用听感较好的UL型电路。

   NFB回路分两路,一路是由输出管的屏极经240kQ电阻到初级管的阴极,反馈量为6dB,另一路取自于输出变压器次级81"1处,反馈量为9.5dB。

觉得这篇文章有帮助吗?