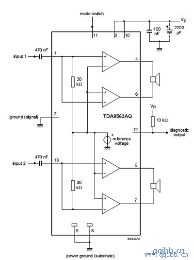
TDA8563AQ是一个双声道立体声输出的功率放大器。
使用的是13引脚单排双列直插封装。
内部包含了2 × 40瓦的BTL放大器。供电电压6~18V,负载最低电阻值2欧姆。
各引脚功能如下:
1.输入1
2.信号接地
3.电源电压1
4.输出1(A)
5.功率接地1
6.输出1(B)
7.输出2(A)
8.功率接地2
9.输出2(B)
10、电源电压2
11、模式切换控制输入
12、检测输出
13、输入2
基本应用电路如下:

TDA8563AQ是一个双声道立体声输出的功率放大器。
使用的是13引脚单排双列直插封装。
内部包含了2 × 40瓦的BTL放大器。供电电压6~18V,负载最低电阻值2欧姆。
各引脚功能如下:
1.输入1
2.信号接地
3.电源电压1
4.输出1(A)
5.功率接地1
6.输出1(B)
7.输出2(A)
8.功率接地2
9.输出2(B)
10、电源电压2
11、模式切换控制输入
12、检测输出
13、输入2
基本应用电路如下:
