近日接修一台美国ETC公司的QB-6360专业功放,这种大功率功放与ETC的其它配套设备在舞厅、会堂、舞台等场合使用较多。因没有现成的资料,根据实物绘制了的电路图,从图中可看出该功放的电路很有特点。现将其电路特点简介和整机电路提供给大家。
该机属纯后级功率放大器,图一是单个声道的前置放大电路,信号输入端的卡侬插座和6.5大插座均采用平衡式输入方式,能与调音台进行标准的平衡配接。由三芯线输入的热冷端信号分别送到运算放大器NE5532的正反相输入端,放大后信号经音量电位器控制后送到OCL功率放大电路。该机把OCL的差分输入和电压放大部分与后面的推动输出分开,与前置电路设置在一块电路板上,这是该功放的特点之一。这样设置能有效的减小后边大电流电路分布干扰和功率元器件温度升高的影响。

输入级采用双差分电路,正负电源稳压成15V后为差分电路提供恒流源,同时也为运算放大器提供双电源。电压放大采用复合管放大方式是又一特点,高倍率的电压放大为后级提供足够的驱动电压。左右声道这部分电路设置在同一块电路板上,用插接线与后级电路连接。
图二是一个声道的OCL电路的电流放大和功率输出部分组成的功率板电路图,两个声道各成一块电路板安装在各自的大散热片上。连接线把前置的正反相驱动电压送到功率板,又把功率板上的正负电源、接地线、末端反馈信号送到前置板。电流放大采用两级放大是它的第三个特点,先是一对中功率管,接着又是一对大功率管。推动级采用大功率的2SC5200、2SA1943可见其输出功率非同一般。功率输出使用六对2SC5200、2SA1943,供电电压是正负90V,最大输出功率应接近千瓦。

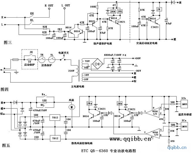
该机设置了多种保护措施,图三是扬声器保护电路和电源启动延迟电路,扬声器保护电路与常见电路一样,特点是电源启动延迟电路的设置。图四是电源电路,电源变压器是1000W的大环牛,变压器次级双交流70V整流后滤波电容是四个6800uF的电解电容。开机瞬间滤波电容的充电电流是非常大的,瞬间的大电流很可能摧毁供电保险或造成供电系统的波动。将30W10欧姆金属壳限流电阻串联在初级输入电路中,开机瞬间的充电电流将因它的压降而受到限制。数秒后滤波电容充电结束,启动延迟电路继电器JK闭合,短接了限流电阻恢复正常供电。这部分延迟电路延迟时间比扬声器保护电路延迟时间短,不影响整机的正常工作。TR、TL是分别固定在两功率板散热片上的温度继电器,当整机温度过高时这两个温度继电器由常闭转为断开,整机停止供电,起到安全保护作用。图四是散热风扇控制电路,采用两个LM35温度传感器也是该机的第五个特点。刚开机时风扇是经100欧姆电阻压降后供电,电压低转速慢。当使用中散热片温度上升后两个固定在散热片上的LM35输出电压的变化经运算放大器比较后驱动继电器J k a、JKb吸合,短接压降电阻使风扇高速转动,加速热量排放。