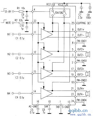
TDA7382 是意法半导体公司新推出不久的汽车用 AB 类功放集成电路,它采用 25 脚单列FLEXIW ATT 封装。内有 4 路22W PNP/NPN 互补晶体管构成的桥式 AB 类音频功率放大器,是高档汽车理想的多声道功放集成电路,其应用电路见附图。由图可看出,它的外围元件极少,因此故障率极低。在不带自举电容器情况下,该放大器允许满摆幅输出(即输出电压的幅值接近电源电压幅值)。TDA7382 内置钳位检测器,能对电源进行自动稳压。另外,它还具有待机、静噪及电池极性反接、短路和过热保护功能。TDA7382 主要电参数如下:电源电压 10~15V;静态工作电流 180mA;电压增益 26dB;在VCC=14.4V,RL=4Ω,f=1kHz,THD=10%的情况下,输出功率为 4×22W,最高结温 150℃。
