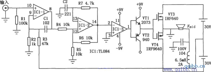
实用数字功放(TL084)电路图

📅 发布时间:2013-09-05 18:30 👁️ 浏览:5 🏷️ 标签: 084 TL 数字功放 电路图

   常规家庭影院数字功放需采用专用的集成电路,而这类集成电路生产厂家少、价格也较高。本电路可采用普通元件制作,功率为50W,空载时几乎不消耗功率,满载时的效率约85%,具有一定的实用价值。不过因其末级电源采用“浮地”,电路的电磁兼容性能较差。由于200kHz载波未滤除干净,其信噪比和失真等指标尚有待改进。

觉得这篇文章有帮助吗?