TDA7375为车用环绕立体声功率放大电路,广泛应用于汽车音响电路中,亦应用于多媒体音响设备中。它具有以下特点: 高功率输出:
2x40W(MAX/4Ω)
2x35W/4ΩEIAJ
2x25W @4Ω,14.4V,1kHz,THD=10%
最少的外接元件
无需外部消振电容
内部固定增益/26dB BTL
开机无冲击噪声
DC-AC短路保护
软启动电路
内部过载超温保护
电池极性转换电路
负载传感电路
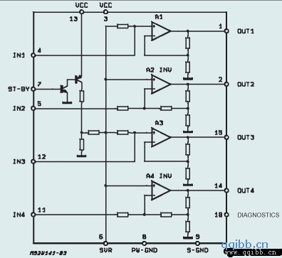
TDA7375内部框图
![[四声道功放IC]TDA7375资料及应用电路图1.gif](/d/file/2013-09-05/df3d50b9e577c2d1b707ec4851400e97.gif)
![[四声道功放IC]TDA7375资料及应用电路图2.gif](/d/file/2013-09-05/56b1e19fdaec29de3e28700a334a9b73.gif)
![[四声道功放IC]TDA7375资料及应用电路图3.gif](/d/file/2013-09-05/4b98a97aac5740ae1807c9209e2c296a.gif)
![[四声道功放IC]TDA7375资料及应用电路图4.gif](/d/file/2013-09-05/fe943894efcdc0ad9e07dece1feda63a.gif)
![[四声道功放IC]TDA7375资料及应用电路图5.gif](/d/file/2013-09-05/14e4d06a3f93978713cc616761b33c31.gif)
![[四声道功放IC]TDA7375资料及应用电路图6.gif](/d/file/2013-09-05/6ce77b2f09f88d0b1575b45be6e15817.gif)
TDA7375为车用环绕立体声功率放大电路,广泛应用于汽车音响电路中,亦应用于多媒体音响设备中。它具有以下特点: 高功率输出:
2x40W(MAX/4Ω)
2x35W/4ΩEIAJ
2x25W @4Ω,14.4V,1kHz,THD=10%
最少的外接元件
无需外部消振电容
内部固定增益/26dB BTL
开机无冲击噪声
DC-AC短路保护
软启动电路
内部过载超温保护
电池极性转换电路
负载传感电路
TDA7375内部框图
![[四声道功放IC]TDA7375资料及应用电路图1.gif](/d/file/2013-09-05/df3d50b9e577c2d1b707ec4851400e97.gif)
![[四声道功放IC]TDA7375资料及应用电路图2.gif](/d/file/2013-09-05/56b1e19fdaec29de3e28700a334a9b73.gif)
![[四声道功放IC]TDA7375资料及应用电路图3.gif](/d/file/2013-09-05/4b98a97aac5740ae1807c9209e2c296a.gif)
![[四声道功放IC]TDA7375资料及应用电路图4.gif](/d/file/2013-09-05/fe943894efcdc0ad9e07dece1feda63a.gif)
![[四声道功放IC]TDA7375资料及应用电路图5.gif](/d/file/2013-09-05/14e4d06a3f93978713cc616761b33c31.gif)
![[四声道功放IC]TDA7375资料及应用电路图6.gif](/d/file/2013-09-05/6ce77b2f09f88d0b1575b45be6e15817.gif)