LM1876双声道功放IC应用电路

📅 发布时间:2013-09-05 18:30 👁️ 浏览:4 🏷️ 标签: 1876 LM 双声道 功放IC

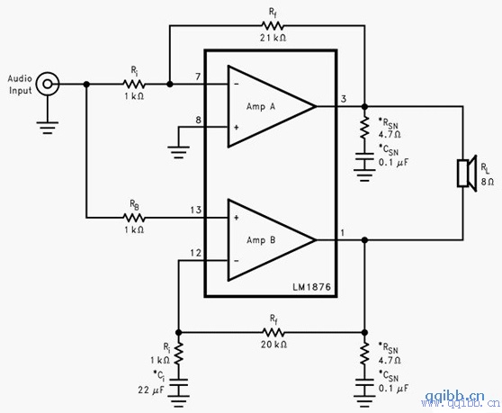
        LM1876能够在4~8欧负载上每声道输出20W的连续功率,且谐波失真小于0.1% ,是一个立体声音频放大器, 供电范围20V-64V (+和-相加,即相当于+10V至+32V),BTL应用电路下,可以输出40W左右的功率。

觉得这篇文章有帮助吗?