许多音响音乐爱好者往往对IC功放不屑一顾。他们认为Hi-Fi功放非分立元件设计制作不可。其实,这种看法有失偏颇。诚然,分立元件功放的性能和音质确实非IC功放可比。但这是从终极的性能和音质以及不计成本为前提的说法。
事实上,现行业余设计制作的不少分立元件功放的性能和音质,由于没有测试仪器,其性能究竟达到什么水平很难说。由于没有测试仪器参与调试,同样的一个放大电路,其性能因制作水平而异,有时更不可同日而语。
再说,在成本相当的条件下,要设计出一款性能和音质优于IC功放的分立元件功放,对专业设计师来说决非易事,对业余爱好者来说更是难上加难。而采用IC制作功放,其基本性能是易于保证的,可收事半功倍之效。
因此我们认为,若以学习设计和钻研放大器技术为主要目的,制作分立功放是必由之路。如果以欣赏音乐为主要目的而又不想购买商品功放者,显然以制作IC功放是首选。长期以来,有不少IC功放就是为Hi-Fi而设计的,它们失真低,工作稳定可靠,元件少,成本低,容易制作。其音质完全能够满足Hi-Fi欣赏要求,配合电脑欣赏音乐,无论性能还是音质更是绰绰有余。
本文向读者介绍采用LM1875制作25W ×2功放的应用设计考虑及制作技巧和主要测试性能,帮助大家用好LM1875。
LM1875是美国国家半导体公司(NS)在十多年前推出的性能优异的单片集成功率放大器件。它的主要参数见附表。
附表 LM1875主要参数

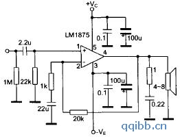
NS公司推荐的典型应用电路如图1所示。

图1 LM1875应用电路
用±30V供电时,8 Ω负载上最大输出功率可达30W。用±25V供电时,在4 Ω或8 Ω负载上,20W输出时总谐波失真为0.015%。IC芯片内具有短路保护、过热保护、限流保护等功能,工作安全可靠。例如,芯片温度达到170℃,过热保护即开始工作,当温度降至145℃则重新进入正常工作。但如果温度再度升高时,在达到150℃ (而不是最初开始的170℃)过热保护便开始启动。
LM1875采用小巧的TO-220封装、共5根引脚,正面外形如图2所示。其背面为芯片自带的一块小散热板,为外装大散热片提供足够而良好的热接触面积。在本电路中应用时,两者之间必须垫以电绝缘片,以防短路。实际上LM1875自带的小散热板是与负电源端子-UE(引脚3)相通的。所以只有当LM1875采用单电源供电时,-UE才接地,因而LM1875与外装的大散热片之间无需垫绝缘片。
一. 电路简介
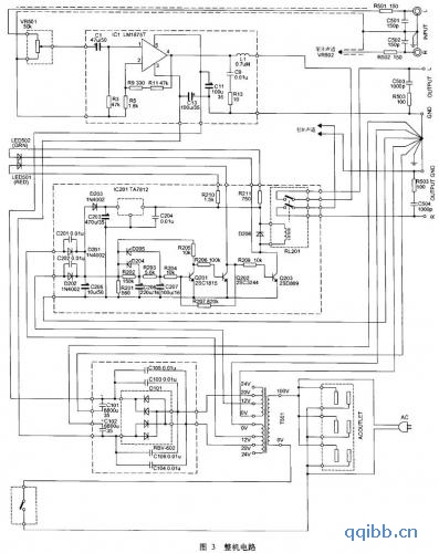
整机电路如图3所示,包括左、右声道放大电路和共用的电源、开关机延时电路。


1、放大电路
由于目前环境的电磁干扰日益严重,为了避免捡拾高频干扰噪声影响放音质量,因此在输入端子处接入R501、C501,限制不必要的通带宽度,防止输入导线像天线一样接收杂散干扰信号。
输入信号经音量控制后进入IC放大电路。IC外围电路元件是通过试验之后确定下来的。它与图1推荐电路的主要区别是负反馈回路去掉了隔直电容(22uF)。或者说,图1推荐电路采用AC(交流)放大形式,而图3应用电路则更接近DC (直流)放大形式。通过试验发现,采用AC放大形式时,输出失调电压有50mV,经过数秒钟之后才消失。而去掉负反馈隔直电容后,却没有发现输出失调现象,这表明,采用这种“准”DC放大形式是可行的。这样一来,低频响应只取决于IC同相输入端的隔直电容,把它的容量提高到47uF,低频截止频率下降到0.2Hz,几乎具有放大直流信号的能力。
图1电路IC输出端的RC串联网络(1 Ω和0.22 uF)是相位补偿元件。为了取得更稳定的工作条件,图3电路中添加了一只补偿电感(0.7 uH)。由于该电感的加入,可使上述RC网络中的R值取得较大,而减小C值,即改用10Ω和0.01 uF。补偿电感L1可用漆包线在直径为φ12mm的圆棒上绕7T脱胎而成。安装在印板上后应涂布胶水以防线匝振动影响音质。[!--empirenews.page--]
在本机输出的扬声器端子处接有串联的RC元件(1000pF和100 Ω),作用是防止输出信号通过扬声线馈线反射回来。
2、开关机延时电路
开关机时IC输出端会出现DC电位而产生噪声,故需要加入一个开关机延时保护电路(见图3中间部分电路)。其工作过程简单说明如下。
图中左边D201、D202、C205对电源变压器二次侧12V ×2绕组作全波整流和滤波,取得的直流电压单独为保护电路供电。其中Q202和Q203晶体管则由稳压IC201稳定后供电。接通电源开关后瞬间,0201~Q203三管的集电极都加上了供电电压,但它们的导通情况则不同。
首先注意到Q201的基极之前接有两只大容量电解电容器,因此开机的瞬间Q201基极电压为0而处于截止状态。但因Q201集电极即Q202的基极处于高电位而使Q202导通,(其集电极供电电路中串入的红发光二极管LED501发光)。与此同时,由于Q202导通,其集电极电位即Q203
基极电位很低,不足以使Q203导通,故继电路RL201未吸合,即LM1875输出端处于断路状态。
经过约5秒钟后,Q201基极电位因电容不断充电而上升到一定程度后开始导通,引起Q202截止,因其集电极电位升高而使Q203导通,继电器RL201吸合,LM1875输出信号即加到扬声器输出端子上,使外接扬声器放音。同时串于Q203集电极供电电路中的绿发光二极管LED502发光,而红发光二极管LED501熄灭,表示整机进入正常状态。LM1875的最大输出电流可达3A,因此应该选择具有相应触点电流容量的继
电器RL201。
3、电源电路
本机电源十分简单。左、右声道共用一只电源变压器和一组整流滤波网络。也许有发烧友认为,采用左、右独立电源效果更好。不过实际情况不一定如此简单,因为采用两组电源时,也常因地线处理比较复杂,不易确定的影响因素颇多,效果不尽如人意。因此本机共用一组电源反而简单易于处理。如果处理得当,注意布线,效果也不错。为此希望注意以下各点。
首先,电源变压器二次侧绕组容量不小于AC 20V ×2/1A。从音质考虑本机实际使用24V ×2/2A的变压器,取其20V×2抽头使用。实际效果是8 Ω负载下(1kHz、双声道同时工作)可输出25W ×2功率。20Hz时也可达23W × 2。
整流二极管D101一般可取4A的桥堆,本机采用6A电流容量的。
滤波电容器选用4700 F/35V的已足够。当然,容量大,有利于提高低频输出功率。不过4700 F/35V的电解电容器的外形尺寸看起来显得小了些。出于心理作用,本机选用6800 F/35V的,看起来稍显“霸气”,令人信心十足。
还要注意一点,本机所用电源变压器二次侧两个绕组应该相互独立。换言之,其中心抽头应该在线包外可以分开的,这是为了适应本机地线布线的要求。
最后,在电源变压器一次侧安排了3个电源插座,这是为配合本机使用的其他音响设备提供交流电源所用。如果觉得3个过多,可以省去一二个,但切勿全部省去。这种布置在Hi-End功放中很常见,主要目的是减小音响设备之间的环路干扰。
二、制作调试
如上所述,本机虽是一个功率并不大的小制作,但是制作中的“门道”并不少。以往这类IC功放,电源和左、右声道功放一般是合用一块印刷电路板,有的甚至把保护电路也放在一起。本机从音质考虑共用4块印板(如图4、图5所示)。其中电源、保护电路各一块,左、右声道也各一块。放大部分印板为25mm×75mm,整流部分为50mm ×75mm,保护电路印板为45mm ×75mm。LM1875要安装带翼片的散热片,它的长度与印板长度相同,翼片的宽和高约为40mm (根据机箱大小尽量取大一些)。先设法把印板固定到散热片上,再把散热片固定到金属机箱的底板上,利用底板进一步加大散热面积,如图6所示。

图4 功率放大器和电源部分印板

图5 保护电路印板

本机接线主要是地线的布置十分重要,务必参照图3进行。本机有两个接地点。信号地安排在左、右声道信号输入端子处。为此,可在靠近输入端子之间安排一小接线支架,接线支架的固定螺丝与后面板之间用一铜箔垫片作为接地焊片,铜箔片与底板之间务必确保彻底清洁,然后用螺丝加以紧固。R501、C501、C502和R502就装在支架和接地片上。输入信号屏蔽线也在此接地。音量电位器接地引脚应通过屏蔽线(外层)与印板地相连。[!--empirenews.page--]
第二个接地点—电源地安排在本机输出端之间。具体做法同上。C503、R503、C504和R504直接安装在支架与接地片上。另外,整流滤波电容C101和C102外壳(“一”端)不应与底板有电气接触,它们要用两根较粗软线与电源地相连。电源变压器中心抽头(0V点)也应分别用两根较粗软线与电源地相连。保护电路印板地线也要用线接到电源地。总之,务必按图3N示地线接地方式布线。这样才能较好减小信号和电源、左右声道地线之间的串扰。
三、性能和音质
以往制作IC功放,尤其是LM1875这种功率不很大的功放,都不很注意测试其性能。虽说IC功放的性能主要由芯片本身来保证,但实际性能究竟达到了什么水平往往并不了解。因此,如果实测性能与芯片本身性能差距较大,往往不是去检查应用设计中是否存在问题,而是怪罪IC本身音质本来就有什么问题。这当然并不公平。
本机实测增益27dB,两个声道同时工作,输入635mV时,8Ω负载上输出14.2V,合输出功率为25W。图7为频率响应,从5Hz~50kHz完全平直,150kHz时为-1.5dB。

图7 频率响应

图8 总谐波失真曲线
图8为总谐波失真曲线(左声道,右声道与此十分相似)。20W输出时20Hz、1kHz和20kHz失真基本上<0.1%,十分优良。在削波之前这些失真基本上是二次谐波分量。可以说,LM1875的设计是相当优秀的。
图9是方波响应,上面为输入波形,下面为输出波形。左面为纯阻负载,右边为0.47u容性负载。可见稳定性很高。
当本机连续输出正弦波功率超过20W时,芯片内过热保护功能及时启动,从而形成间歇输出状态。不过实际的音乐信号属于非连续信号,即使瞬时功率超过20W ,保护电路也不致启动,因而不会影响音乐信号的连续放音。曾用调频广播电台之间的噪声连续驱动本机检测各处温升情况。在室温27℃ 、输出电压±15Vp-p的条件下,LM1875本身散热板处温度为82℃,整流桥堆的温度为50℃,电源变压器上部温度为38℃,三端稳压IC上部温度为45℃。然后加大输入噪声信号(音量电位器向右旋)使本机输出进入削波状态,过热保护启动后,输出连续3秒钟,然后停止1秒钟,以此反复,但不会引起上述各点温度的变化。在一般正常聆听条件下,LM1875本身散热板温度大致只上升到55℃左右。由此可见,本机工作时稳定性和安全性是没有问题的。
测试了本机输出噪声。在输入不加信号的情况下,音量电位器开到最大,左声道输出端子出现400 uV噪声电压。通过观察波形发现是交流声成分。用手触摸输入信号线,上述噪声电压未变化。右声道的输出噪声一般较低,约350 uV。这显然来自电源变压器漏磁的影响。由于右声道离电源变压器较远,感应也较少。如果把电源变压器移到机外并旋转90°,左右输出噪声电压即降至180 uV,且波形中交流声成分消失。
还用铜箔对电源变压器线包加以双层短路屏蔽,噪声降低效果不十分明显。综上所述,在这样的小型机箱内,要想进一步减小噪声是比较困难的。
本机音质通透流畅,低频表现令人印象深刻。这与电源充沛和采用了“准”DC放大形式有很大关系。本机曾带到友人家去试听。当友人家的前、后级放大器的后级切换到本机时,音量是轻了些(前级音量电位器未变),但是只要把本机音量电位器加大一些,即能欣赏到响度充分的音乐节目。而且在前、后级放大器中听到的声音,切换本机后,想听的声音都能听得到。
总之,只要25W ×2的功率输出能够满足使用要求,LM1875的声音是能够满足大多数音乐爱好者欣赏Hi-Fi音乐要求的。