无论是目前还是今后.双声道立体声仍将是家庭高保真放音的主要方式并将一直广泛地为发烧友所采用,它不会因SACD和DVD-Audio高质量多声道系统的出现而消亡。这是因为双声道系统简单,调整和使用方便,系统成本低而音质相当高。
当然.这并不意味着双声道系统的音质没有提高的余地和必要。采用SACD和DVD-Audio是声源方面提高双声道音质的必由之路。若要进一步提高SACD和DVD-Audio作双声道重放时的音质,那么采用前级电子分频器是在现有或原有系统基础上最为经济而实用的方案。
本文向读者介绍一款电子管前级RC分频器的原理、计算和制作。电子有源分频兼有双线分音、双功放驱动的优点.其电声性能比一般LC功率分频更好一些。
RC分频网络
最简洁的电子分频网络只采用电阻R和电容C两种元件即可组成。图1为一阶二分频网络及其特性示意图。

对于图1的一阶二分频RC网络.无论是高通滤波器还是低通滤波器的元件,均可用下式计算。

式中fc为高通或低通滤波器的截止频率即分频频率(Hz).R的单位为kΩ,C的单位为uF。
一阶分频网络的衰减斜率不大,仅为6dB/oct(倍频程)。如果把一阶网络串联起来,可构成二阶、三阶……分频网络.其中尤以二阶网络最为常用。图2为二阶二分频网络。

显然,二阶分频网络的衰减斜率由一阶网络叠加而成,达到12dB/oct。不过,二阶网络并非一阶网络的简单串联,计算这种网络时.应注意以下两个问题:
1.后面的一阶网络是前面一阶网络的负载。如果把两个完全一样的一阶网络直接串联起来,就会产生相互干扰。为了避免这种影响,后面的一阶网络的阻抗应尽量高一些。一般可取为前者的5~10倍。
具体一点说,对于高通滤波器(见图2),后级的R值应取为前级Rh的5~10倍。与此同时后级的C值则按相应在比例减小,即取前级C值的1/5~1/10。同理,对低通滤波器,后级的R值取前级RL值的5~10倍,C值则取前级C值的1/5~1/10。计算公式fc=159/RC则不变。
2.由于二阶网络为一阶网络串联而成。一阶网络的衰减斜率为-6dB/oct,即在fc处衰减-3dB(图3a)。于是两个一阶网络串联后,在fc处的衰减幅度将达-6dB(图3b),从而使分频点fc处的合成频响出现下凹。为了避免出现这种现象,由图3b可知,低通滤波器的截止频率(-3dB点)fc应适当提高,而高通滤波器的截止频率(-3dB点)fh应适当降低。如果分频网络的分频点取为fc,那么可取fL=1.5fc,fh=fc/1.5。这样大致上可保证在分频点fc处衰减幅度仍为-3dB左右,而综合频响比较平直无下凹现象。

最后,无论是图1还是图2的分频网络,实际使用时总要受到前、后级其他电路的并联作用的影响,从而使得分频特性发生偏移。通常都必须在分频网络前、后各加一级缓冲放大器与其他电路隔离。常用的缓冲放大器是阴极跟随器。
计算示例
下面以二阶二分频网络的实际例子来加以说明
二阶二分频网络的分频点设为fc=800Hz,求分频网络的R、C值。
计算高、低通滤波器时,它们的截止频率不是fc。对高通滤波器应取fh=fc/1.5=800/1.5=533(Hz);对低通滤波器应取fL=1.5x800=1200(Hz)。如果电容仍取C=0.01uF,则高通滤波器的Rh为

低通滤波器的RL为

以上是二阶分频网络中前面一阶网络R、C值(图5)。[!--empirenews.page--]

计算后面的一阶RC网络时,R值一般比它前面网络中的R值大(5~10)倍,电容值则小(1/5~1/10)。本例按10倍和1/10计算。后级的R'值对高通滤波器和低通滤波器分别为R'h和R'L:
R'h= 29.8×10=298(kΩ)
R'L= 13.3×10=132(kΩ)
后级的C'值为:
C'=0.01/10=0.001(uF)
计算的全部结果示于图4中。

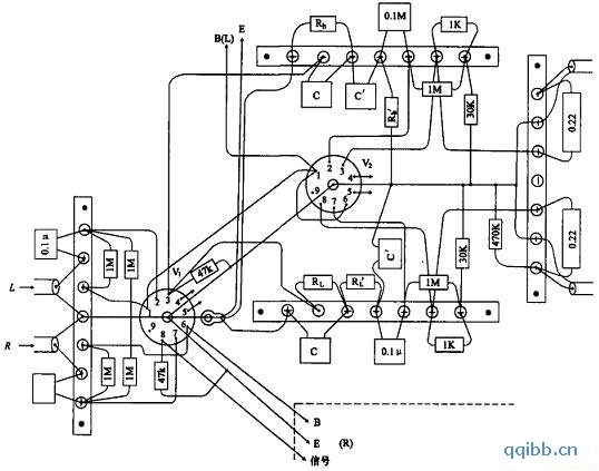
图5为本分频器一个声道的电原理图,图中的二阶分频网络去掉后面一级RC网络,即为一阶二分频系统。

图7为接线图。

V1a为输入缓冲级,另一半作R声道的输入缓冲级。V2则作同一声道的输出缓冲级,它的电路与V1稍有不同,即栅极加有来自阴极的自举电压,因而输入阴抗比V1更高一些,这对采用二阶分频时,可减小对分频网络的影响。由于高音扬声器的灵敏度通常总是比低中音扬声器高一些,故高通输出接入了一个50kΩ电平调整电位器,供调整作微调之用,也可直接安装在机壳面板上,以便随时作微调之需。
本机实测分频点处的衰减幅度约-3.5dB。由于本机无增益作用.插入损失约1.5dB残留噪声约0.16mV.20Hz~20kHz的串音在-80dB以下。
应用
最后介绍一下本电子分频的三种主要用途。
1.基本用法
电子分频的基本用法是取代一般音箱中的LC功率分频,见图8a和8b。为此需要去掉音箱中的LC分频元件,然后用两台功放(也可以是一台立体声功放中的左、右声道直接驱功高音和低音扬声器).本分频器则用来驱动高音功放和低音功效。此时只要查得音箱分频点.即可计算RC分频网络元件值。此外,音箱最好具备双线分音接线柱,以便驳接。

2.添加超高音
现在许多发烧友手头使用中高档书架箱或中大型音箱的上限频率都在20kHz范围内。SACD和DVD-Audio的高频响应可达50-100kHz。一个简单而有效的方式是添加一只超高音扬声器,分频点可选在10~15kHz。(见图8c)现在国外市场上已有单独超高音扬声器可购,可直接置于音箱上面。超高音扬声器实际所需功率较小,因此高音功放的功率不必很大。如果两台功放的功率一样大小.宜在高通输出电平调整电位器(图6中50kΩ)之前串一适当阻值的固定电阻,以免不慎损坏超高音单元。
3.添加超低音
在现有的系统上加一台超低音箱,分频点即选为100~300Hz.并尽可能低一些(见图8d)。超低音箱可用市售的商品箱.此时就无须低音功放:也可使用大口径低音单元自制,但需要配一台低音功放。
有些发烧友觉得,加超低音后效果反而不好。应该说这是一个普遍现象。其原因主要是房间的声学处理不到位。特别是对房间的低频吸声量不够充分。实际上,只要注意房间的声学处理(对低频加强吸声处理,再加上选购一只好的超低音箱),是能明显改善低音重放质量的。