玩胆机的发烧友,每当沾上古董老机的毒时,而又有幸上了瘾时,沉醉于老胆所发出的仿如魔笛之声,往往不能自拔。我们在本栏探讨过不少美国老机,详细剖析其设计与用料方面;叫我们上了多课超越 “空谈理论”的课题。若我们将视线转移到欧洲的工业强国,德国老胆机确实蕴藏了无限的知识和资源,等待发掘,正要看我们的观察与领悟力了。
于早多数年前,Siemens Ela 2733落在笔者手上 图(1)和图(1a),很精美娇小玲珑的两台单声道扩音机,它并不是一般的后级,而是后级之后的后级,我们称之为 “后”后级(booster amplifier),即功率提升器。换句话讲,前级推动细功率后级(通常是单端机),然后在这细功率机之后加上这 “后”后级,单是作功率提升之用,看图(1b)整齐而巧手的内部零件銲接。整套后级的增益放大和音色方面的责任,落在细功率后级身上;若匹配得宜的话,有了 “后”后级更可对音色淳和或质感有一定得益。例如:西电No.87、Altec 287A….等,都是这类的设计理念。

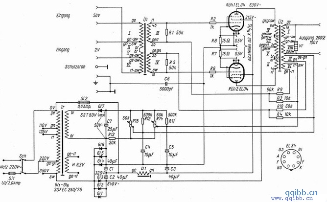
线路分析:
1.输入交连牛:这类的 “后”后级,通常祇有功率管和输入交连牛,就构成主要功率放大的部份,前面细功率后级的喇叭线接端,直接连结这 “后”后级的输入牛;而这输入牛担任了 “分相”和推动之用。又因绝大部份的 “后”后级是推挽机,可取得其较大功率,线路结构虽是简单,但却是不容易制作得好声,其关健在于极高质素的输入牛。另一重点是这 “后”后级输入牛与前端的细后级匹配阻抗的问题;因此现今新一代的厂家已完全放弃了这一套设计理念。以输入牛作 “分相”和推动功率管有两点很大的优点,第一是这推动牛的两组次级线圈的平衡度可低于1%或以下的准确度,相比胆的 “分相”和推动方式所存有上与下波的幅度误差,与上下波的讯态速度不一致来讲; “牛”分相就取得大优势。
第二是牛直接交连推动功率管,可免除胆推动的直流漂移现象,因推动胆本身与交连电容在不稳定状态或讯态电压变动时,产生了浪涌的直流,影响了功率管的稳定状态,相比之下,以交连牛推动方式可在功率管处于稳定工作状态之下而取得比较大功率输出。
2.功率的安全范围:一般人所理解和认识的一对EL34在推动挽工作时是35W左右,例如马兰士8B和DYNACO ST-70便是,而马兰士9就须要每声四支EL-34才可有70W的输出,每支EL-34的工作电流约是50ma。而Siemens Ela 2733就可在33ma的EL-34工作电流之下,提供了50W的大功率。
看线路 图(2) 的EL-34屏电压是630V DC的,有不少学者抱质疑的理据,认为630V DC的屏电压和50W输出功率对EL-34的安全和耐用产生怀疑,笔者曾将箇中设计的可行性阐释;祇不过,太多人未有将自己的知识领域扩阔。

按照EL-34的特性,最高屏电压是可以在800V工作,若在这情况时 “帘栅极”(第四脚)的电压最好在400V以下,仍是安全的工作电压,假若屏压在500V以上同时以 “超线性”输出牛接法或 “假三极”的使用,就有一定的危险性。看来就是决定在 “帘栅极”的电压不能太高的因素上。
这Ela 2733所使用的EL-34是屏压630V、帘栅压315V、屏电流33ma就可轻易有50w RMS输出功率,而且还比马兰士8B、 9或DYNACO ST-70更安全的,笔者曾将某支劳损疲废的Mullard EL-34放在DYNACO ST-70机上,产生屏红现象,但将这EL-34插在Ela 2733机上,就一切工作良好;虽然是个别的案例,但可见Siemens厂的设计技术是有更高一层的智慧,Siemens厂所生产的主要是专业器材,对于功率管的使用安全范围,当然在耐用和可靠性能方面,是无须顾虑。但要留意一点是EL-34在630V屏压工作时,切忌改成 “假三极”的接法。

3.负回输:
这机的负回输设计是相当的巧妙,在输出牛有两组独立回输线圈,可分独立上和下波使用,而且与输入牛两组次级绕组的负相和功率管的负栅压组成一个环路。R1和R5是输入牛的负载电阻,R9和R10是回输量控制量的电阻,R3和R4是提供负栅压和输出牛回输线圈的负载电阻,正好形成互相紧扣的回输环路。独立输出牛回输线圈设计式与常见的回输取自于驱动喇叭接线音圈这设计相比,独立回输线圈就比较少受到喇叭反 “电动势”back EMF的干扰,因此失真量也比较少。[!--empirenews.page--]
调节功率管的静态电流,可使用R14和R15的50K可调电位器 图(3),调节流经输入牛次级线圈所带的负电压,因此可控制功率管的导通静态电流。我们可量度R7和R8的15Ω阴极电阻,调至0.5V DC,若以欧姆定律计算,电流I =电压V除以电阻R,即是0.5除以15Ω等于0.033A,通常胆机常用微安 mA表示,即是每支EL-34的使用电流是33ma。一般的DYNACO或Marantz都是50ma左右的电流,由此可见Siemens可在每支EL-34处33ma时可有50W的有效值功率,是一般人难以想像的;又因低电流工作,在长时间专业系统使用中,都有可靠和耐用的信赖。
4.电源供应:
图(4) 在EL-34后的是电源牛,这机的电源牛是没有高压线圈的,是与一般的胆后级有别;次级线圈祇有灯丝6.3V和负偏压的50V 4ma的线圈,看图(3)线路图。那么!高压630V是取自电源牛的初级组250V的线圈,直接取电于交流市电,若所使用的市电低于250V,就须倚靠电源牛初级组的 “自偶”绕组线圈来提升电压到250V;高压取自于能量无穷大的市电,当然不愁电源牛供电不足的问题了。250V的绕组取电是经并联的整流 “硒”组 (看图(4)前面最左的两支黑色柱体 ),以“倍压” 整流方式:250V乘2.56倍等于640V(有10V电压消耗在输出牛的线圈上),由于高压直接从市电取电,所以全机的 “共地”和高压部份是不接触机壳的,祇用C6 / 5000PF将 “共地”接点连接机壳。

总结:
一对EL-34可在比较安全和高信赖程度之下提供超出想像的50W功率,是一种特殊和创意的设计,虽然结构是简单,但却是深藏着现今很多设计者未想到的智慧,作为我们仿制或学习的教材,可有令人矛塞顿开之感。声音表现是中性,音色与声音质素是取决于此 “后”后级前端的细功率后级, booster Amp不太自我风格;却又能肩任提升功率,为何此类五十多年前设计的booster Amp理念,在现今没有将它发扬光大?有待考究!