40W晶体管Hi-Fi功率放大器制作

📅 发布时间:2013-09-05 16:47 👁️ 浏览:1 🏷️ 标签: Hi-Fi 40W 晶体管 功率放大器

   该放大器在较高的输出下能保持高保真的素质,可以对4Ω/8Ω的负载提供2×73/44瓦的输出功率,失调电压小于土40mV,输入阻抗为100kΩ,谐波失真小于0.015%,互调失真小于0.02%,频率范围为10Hz一30kHz(土2dB),信噪比在100mW输出时大于72dB。

电路原理

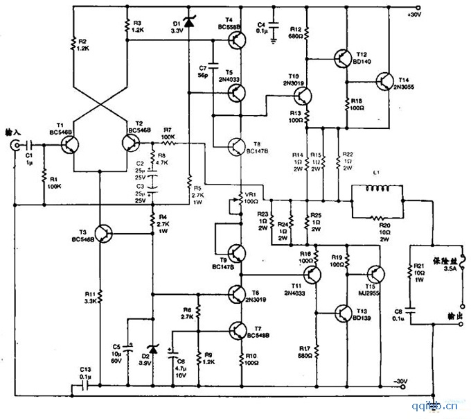
   这里只给出其中一个声道的原理和制作过程.图l是其电路原理,输入信号由晶体管T1的基极引入,T1和T2构成差分对,T3作为T1、T2的恒流源.T1的输出直接用于驱动T4,T4和T5构成串联管对,T4、T5的恒流源由T6、T7构成。


   晶体管T8和T9用作二极管,它们的作用是对晶体管T10和T1l进行温度补偿.T10、T12、T14和T11、T13、T15分别构成两组三重复合晶体管。这样,一旦T10或T11的VBE有微小变化,即可引起输出电流很大的变化.由于输出使用了复合晶体管,所以通过T4、T5的电流可维持在较小的值(约6mA)。

   线圈11的作用是防止当输出接上容性负载时引起的对放大器的干扰.输出至喇叭间串接了一个保险丝,一但喇叭有承受直流压降,保险丝就会熔断以保护喇叭。放大器的增益由(R7+R8)/R8决定,这里约为22。电路使用双电源供电。

   首先焊接电阻和电容,然后焊接晶体管,注意T12和T13应使用合适的散热片.L1由20# 标准线在电阻R20上绕20圈而制成。

   图5给出了各晶体管的管脚排列,组装时,电源变压应离开印制板8~10cm,并在两者之间使用一块铝板隔离屏蔽。

   安装完毕,检查无误后,开始调试,先将VRl置于最小值位置,打开电源开关,然后接入一个跨接在任意一只0.33Q电阻上的毫伏表,调节VRl至毫伏表_ER示为16mV,这表示50mA的电流。

   接入声源,调节声源电平控制,使其输出为2W,在放大器的输出端接一个假负载(不接喇叭),让放大器工作六小时,检查各晶体管,不应过热,功率管可以稍微烫一些。

觉得这篇文章有帮助吗?