笔者敬佩德国人在于声学与光学的独特研究精神与贡献,尤其是在第二次世界大战时期的产品。相机镜头和电影机镜头,在现今的摄影发烧友推崇备至,其文化和艺术的修养感正是一股无比的牵引力;执着的认真态度高于以商品制造谋利的取向,毫不奢华的外观、亦无强调操作性能的兼容阔度。专业广播器材,录音室的咪技术,己在接近整个世纪引导全球的音响业;亦被世界各地的录音室乐于採用,尤其是胆咪,正是鲜明的例子。
至于老古董扩音系统,更是神秘和耐人寻味;适逢在大战期间,盟军佔领德国时候,约在1945年Siemens 厂klangfilm制造了第一台的单声道后级,就是V-401 图(1)、(1a),是有特色和极具代表性,粗略估计约全数生产量约二至三百台,数量是极其稀少,再加上大战时期的蹂躏,至今现存而又能服役的V-401,有几多仍能保存完整?可想而知!多月前某日接听了本刊主编的来电,超特级发烧友陈主编居然会因这V-401产生兴奋异常。笔者当然有兴趣一睹此物风采,眼前一亮!哗然一声!这两臺战前巨大怪物,容貌超凡,饱历数十年风霜和战火洗礼,仍尚在人间,侥倖之至!有云:「大难不死,必有后福」!看来,这两件大怪兽可昂然登入陈府-----兼且也懂得敝店求诊,真算是有后福啊!

V-401不是家庭Hi Fi器材,而是专业剧院或广播扩音之用,当然,少许老毛病是在所难免。但又因使用接线位置,包括电源输入,喇叭接线输出与及讯号输入,都在机后的多位接线排作连接 图(2) ,(2a),还有这接线排全是用德文标示,当然制作时必定无考虑今日我们身处香港的用者,对懂德文的认识程度如何?祇有凭经验和对它有一定的心灵沟通能力,才准确找出必须的接线位置,原厂的使用手册或线路图,当然暂不敢奢望。
结构分析:
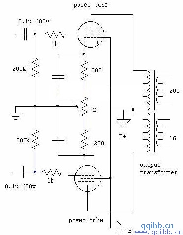
五极金属壳管EF-12有三支,第一支是输入增益讯号放大。另外两支较近功率管的EF-12用作分相推动之用。功率管EL-12是每声道一对作推挽输出的,这是比较早期特殊的EL-12金属框底,可与F2a11互换使用,图(3)左是F2a11,右边是 EL-12;亦即是EL-156的小型一级的管子。整流胆也是较早期的型号类别RGN2504,跟AZ12较相近特性,同是4V灯丝的种类;图(4) 左边的是AZ12,右边是 RGN2504但脚座类型不同,也不能直接代用。
笔者为了省时间和容易讲解线路结构,所以将各部份级别的放大线路分析,而且这线路架构也是颇传统,纺制并不算困难,但因这V-401最大特色之处是用料,和天生极品靓声的输出牛、电源牛和扼流图choke;因此,后人亦没有仿制的必要,请恕欠奉完整的线路图。我们本文就视作分享追念前人设计者的心得,藉此吸取优质的制作心思,取长捨短互有得益
电源牛:
这V-401的电源牛是分别独立的高压牛和灯丝牛,很多专业高信赖的器材都常用这处理手法,好处是减少了电源牛高压线图与低压线圈 “电压差”的跳火短路可能性, 图(5)请看火牛阵。最原始的电源牛和输出牛多是在完成整个绕制过程后,就可即可使用,无经过灌浸绝缘漆的,这是最直接和最自然的声音,若为了电器hi- pot测试而浸了绝缘漆时;因此在线圈之间多了绝缘介质(胶的物料),继而影响了铜线圈之间的互相谐震。声音也变得 “紧”和不顺畅,但制造厂很多是为满足仪器的测试和在制作过程流畅,而在声音表现方面造成部份的妥协,是理解的;这两台老古董机内部的四只牛都是未经施行绝缘漆的洗礼,声音是坦荡自然的,而且也没有将牛安放入密封式金属壳里,声音亦是宽敞开扬的。可惜!后来有不少厂家,可能为了装潢的外表,为火牛设计装造美观的外壳,至令声音打了折扣!是与外观/声音的取与捨决定。在制造和使用火牛的毫不妥协态度,是古老德国人的执着起因,才引起今日我们的敬佩。
输入牛:
两臺V-401,一臺是有输入牛,另一臺是没有输入牛,为要作左右声道后级放大时,有必要尽量令两声道相同为原则,而且这两台机的增益在没有输入牛的情况下,仍然是有很高的增益的,所以就可将两声道改为同是不经输入牛,将讯号输入直接引到一级EF-12的栅极处,这机所使用的三支五管EF-12分别接成 “假三极”使用,第一支EF-12输入增益放大后,接着是两支的EF-12作 “分相”推动的功用。



修理手术过程:
我们须有一正确步骤试机,在未知来机状态时,第一时间是先用示波测试其效能,而不是接喇叭试听,以免对喇叭造成损害。
当接通仪器接线后,启动这后级的电源开关制,祇见功率管EL-12和RGN 2504整流胆的灯丝亮着,但全机没有放大输出功能;凭眼看,两支功率管的阴极端是没有阴极电阻,明显是被剪去,可能是上一手的修理技师未能找到合用的电阻替代已坏的电阻,就由它空置了。经查阅另一声道的电阻,可看得出是两支200Ω的电阻,我将合用的电阻銲上适当的位置,发现这台后级开始有输出,而又在RGN 2504整流胆旁边有一粒小灯胆,亮着了强光,似有不对劲的现象;于是量度这两支阴极电阻200Ω的电压有DC 23V,接欧姆定律计算: I电流=V 电压over R电阻,将23v除以200Ω等于0.115A,即是每支EL-12有115mA,可见电流值太高了,?考图(7)线路图是功率放大部份,随即量度EL-12的栅极输入,有正电压12V DC,明显是两只白色的Frako电容漏电,随即拆下量度这两粒漏电电容, 图(8)就是中间肥身的两支电容;再换上另外两支合用的电容,然后再重新启动电源,在这时候小灯胆的光度回復正常,可以安心视察示波器的波形,一切是良好的。
这颗小灯胆图(8a)有两个功用,第一是显示电流状态,第二是可作限流保护fuse之用,若功率管处于严重大电流时,就将小灯胆烧毁。细小的灯胆是接在电源牛的高压组CT中间抽头处与接地之间。
另一台的后级,在未接仪器测试的接线时,已很易看得出,在零件排架上有两个电阻位,电阻遗失了,而祇遗下电阻的銲接支架 图(9),这灰色的Siemens碳膜电约有5cm的长度,当电阻的銲接支架爆裂时,这电阻就是陶瓷通的表面涂有薄的碳膜电阻就掉下来 图(8)左边的两支电阻。
1940年制造的Siemens碳膜电阻,声音很不错的,幸好在零件宝柜内有一支完全相同的100k,但另一支的30k虽然未採到NOS.的电阻,但仍有一支德国黑色老电阻,声音相信不会相差太远;在这情况已尽了努力,总算有交代了。
现在可进行测试了,当然面对这年事已高的老怪物,还附带其他暗病,是预料中事,果然老脾气发作了!在示波器上显示,下波严重失真,在5W输出时,量度功率管的电流是正常,然后进而量度两支“分相”推动管EF-12,其中一支EF-12的阴极电阻5k,量度结果是没有电压;由此而知,就失了下半波的推动讯号。关掉电源,逐一量度屏极电阻100k和阴极电阻5k是正常,为何没有电流工作?想不到的是栅极接地的2M电阻失了效;从未预计得栅极电阻2 M有坏的机会;用为这处没有高电压,是没可能因电压高而烧毁电阻,祇有推测是日久的老病。换了2M的电阻,在示波器看,大功告成了!最后一步骤就是将这两巨怪物比较放大的平衡度,于是来回轮流的接线在仪器测试它们的输出量,通常一对EL-12在推挽工作时,可有三十多瓦的输出,为了耐用和稳定性,这V-401祇有18W有效值输出,输出牛:是推挽式,有16Ω和200Ω输出两种选择。
又因来回重覆的测试,终又发现第二台的,出现了下波失真,细心再检查之下,见到负责下半波推动的EF-12阴极电阻的电阻框松脱,在幻得幻失之间,幸好毛病发了作,于是可对症下药,为了找原装替换的5k电阻,虽我仓库内合用的存货欠奉;但恰巧在这机内,已弃置的EF-12配合输入牛的那部份有一支5K电阻可暂时借用。在预料中,理应换了这电阻,就药到回春,但好景祇能维持不到一分钟,又再固态復萌!更换了电阻,肯定毛病是出自其他地方,现时仍启动着机,专注观察着示波器的情况,再用手摇动负责下半波的EF-12,于是发现胆座与EF-12接触不良,先清洁接点,再将胆座的金属片接触处迫紧,可算根治了积累半世纪有多的潜在暗病,大可用得安心了。
看机内零件排位和佈局,全是精心安排与巧手的工艺的结晶品,是很有智慧的搭栅技术,每粒电容和电阻都是取得直接而最短的引线连接,而且无论电源引线,接地回路,所有接线的屈摺角度都十分之精工,接线的粗度恰到好处,例如 “落地”的 “地”引线用1.5mm的表面锡水裸铜线。很多时,德国制造的器材由50年开始,多是镀银引线,相比这老V-401的纯铜引线,来讲纯铜接线声音较温暖,而且平衡度与音乐感丰富。电源部份的高压滤波电容全是油质的油罐电容,看图(5)可见长方形的金属小盒就是1uF或2uF的油质电,而另外两个圆桶形的8uF是整流胆输出的第一级滤波,和π形choke之后的第二级滤波,主要滤波的总容值是16μ,是已足够控制在合理hum声的接受程度。图(10)机的型号都是用手写上的。
初步试听,声音从容,音色甜美,以18w的推挽输出来推动104db的志平12吋全音喇叭,不但没有粗声感觉,反而是自然淳和,音乐感满意,以六十余高龄的老机,高低音域的伸延已算很阔了,但稍嫌增益过高,而且,可容许的话应加以轻微改动,降低少许增益,将为较理想。