差分功率放大器相对集合了单端放大器和推挽放大器各自的优点,而避其缺点,具有单端机的放大特性,没有推挽机的交越失真;有推挽机的共模抑制交流纹波作用,但不在音频信号通道,而在对称的两管之间,使音频谐波不被抵消,从而保存了单端机堂音丰富的特征。通常差分放大器运用于前级或前置放大器,如果后级也用差分放大,则所放音色更是锦上添花.令人神往!用电子管制作的差分放大器,工作稳定,信噪比很高,放音音场定位准确,人声乐曲情感靓丽。
电子管差分放大器系两管阴极直接耦合放大器,由于两管输出信号相位相反,它的最大优势就是克服放大器的零点漂移,以及对电源的变化和纹波有较强的抑制作用。为了全面体现电子管差分放大器的特有魅力,本机试用6N2及6V6GT两级差分放大构成,其特点就是功率输出级也用差分放大输出。
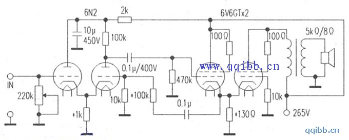
一、电路原理
就差分放大而言,绝对的差分放大将导致音频谐波消失,使乐声缺乏甜润的堂音,音色直白无味,据此本机两级差分放大级的负载着意设为不平衡负载,同时在前级栅地电路施加少量负反馈,以改善高频谐波的含量。使听感更顺耳!
整机电路如图所示,另一声道相同(略),音频信号输入经第一级差分放大管6N2阴极直耦至栅地电路输出后,再送至下一级功放管6V6GT进行差分功率放大,以推动扬声器发声。由于两级差分放大均为栅地电路输出,尤其是功放级,大大减小了功放级的热噪声和干扰,增强了动态稳定性,使乐声沉稳剔透,自律逼真。

二、元件选择
电子管6N2及6V6GT价廉物美,取材容易,每级尽量选择参数一致的管子,从生产的角度分析,一致性高的管子质量自然也比较好,整流管选用声底醇厚的5Z2P(此图未画出)。大功率电阻选用瓷管线绕电阻,小功率电阻选用碳精电阻。耦合电容选用频差传输特性均匀的银膜油漫电容或铜膜油浸电容。本机输出功率在3.5W以上,输出变压器选用铁芯截面积在26mmx45mm左右,阻抗为5kΩ/8Ω的芯片最好用Z11或H10芯片。电源变压器功率在150VA以上即可。
三、装机调试
整机连接正确无误后,才可通电初步调节工作点,电源乙电输出在265V左右,通过调节6V6GT阴极电阻将阴极电压调节为15V(每管阴极电流为45mA左右),调节6N2阴极电阻将阴极电压调节为1.5V(每管阴极电流约1mA)。经过初调,煲机一段时间后,再复测一次工作点,如有偏移,再作调整,调整无效则要更换有关元器件,直至符合要求。 接下来进行动态校音调节,这是一个比较复杂的过程,既包括摩机更换元器件,也包括重新调整管子工作点使音色更完美。本机接入系统放送音乐时,再调节前后两级阴栅极负反馈分压电阻,使音色最靓丽。
四、联机试听
将本机系统连接好后,开启电源,音箱里一点杂音都没有,再将音量电位器开大,依然如故,说明差分放大栅地电路输出效果极佳。放送乐曲,一首《太湖美》音律非常清晰,乐声水清见底,声场不乱,再放一曲《校园的早晨》,高中低频旋律波澜壮阔,胆味浓郁,乐感朝气蓬勃。