胆机音色圆润、透明,发声自然、甜美、真挚,久听不倦,富于人性化色彩。在构建和谐、美好的生活中,胆机已成为音响爱好者良伴,也正成为一种时尚。
在胆机中,尤以单端甲类胆机音质最佳。以300B、845胆构成的单端甲类胆机成为胆机中的极品,发声最靓,让人过耳不忘。然而,以300B构成的单端甲类胆机却美中不足,输出功率一般仅6.5W,对于通常20m2以上的听音空间来说功率偏小。845胆构成的单端甲类胆机输出功率在20W左右,可满足听音要求。只是845属高压胆管,工作电压需1200V以上,不仅制作成本高,制作时还不太安全,体积也较大。那么,有没有一种胆,输出可达20W以上,体积不大,适合构建家用胆机呢?
西欧名胆EL156堪当此任。对于ELl56胆许多人都不清楚。这也难怪,ELl56在1968年才开发出来,在胆家族中算是较为年轻的一代。20世纪60年代是胆发展的顶峰时代,此后便开始走下坡路。到70年代,国外晶体管已全面进入电子行业,取代了电子管的地位。因此,虽然ELl56作为最新型的优秀胆被开发出来,但还未来得及应用便被晶体管广泛使用的大潮淹没了,以至于隐姓埋名、少为人知。
ELl56由胆界著名的德国德律风根(T'elefunken)公司开发投产。该公司出品的音频用胆做工精细、造型典雅,音色平衡甜润、清纯细腻,可谓胆中极品,与英国的大盾(Mullard)并列,堪称西欧第一品牌。只可惜,德律风根公司在晶体管普及的大潮中也将胆管生产线关闭。ELl56早已停产。
所幸,我国的曙光电子管厂根据原厂资料,又将ELl56重新开发出来,成为该管的唯一制造商。据厂方讲,ELl56每年大量出口日本,已成为日本胆迷的新爱。
ELl56系氧化物阴极胆,因此具有较高的阴极放射电流和较低的工作电压。该管屏耗高达50W,比KT88强功率胆还高出10W。恐怕ELl56算得上旁热式阴极胆中的王者。与845直热式胆相比,ELl56的灯丝功耗低2/3,屏极工作电压仅为其l/3,单端输出功率则可达25W,性能之优越让人叹服。真所谓“后来者居上”。
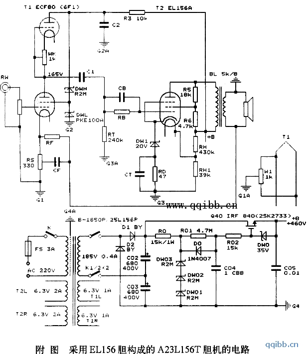
一、电路工作原理
附图是采用ELl56胆构成的A23I..156T胆机的电路。本机为双声道立体声功放,图中仅给出一个声道的放大电路,另一声道完全相同。
从图中可以看出,本机采用两级放大。前级用ECF80(国产型号为6F1),功放级用ELl56胆,为单端甲类放大程式。通常前级包括前置放大与推动两级放大,以满足功放胆的推动要求。然而,ELl56性能优良,仅需20V左右的推动就可满功率输出,所以将前置级与推动合并为一级放大就可以了。在Hi—Fi功放中,应尽量减少放大级数,这样才能减小信号在放大过程中的失真与变形。
前级放大胆ECF80为三极、五极复合胆,五极部分担任信号放大,三极部分则作为五极放大中的负载。三极胆相当于一个非线性负载电阻,与五极胆中的非线性具有一定的抵消作用,从而使输出中的失真减小(工作原理源于ZL94212716.1专利技术)。另外,胆中由于存在空间电荷效应,可以减小噪声。一般与电阻负载相比可获得较高的信噪比,能提高前级输出的信号的质量。三极胆阴极接入可调电阻Wk调节Wk可改变三极胆内阻,从而使前级放大器处于合适的工作范围,确保前级输出有大干20V的动态范围,以推动功放胆ELl56满额输出。实际上,本前级输出范围可达±100V,足以推动任何功放胆。
后级功率放大采用了超线性电路。超线性电路具有五极胆的高效率与三极胆的输出特性,是胆管独有的优秀功放电路。由于三极胆输出内阻低,对扬声器有较强的控制力,可使扬声器阻尼良好,从而令发声清晰、富于层次感。本机的超线性电路是通过电阻分压实现的,帘栅极的负反馈电压由:R5与R6的比值决定,无需从输出牛上抽头取得。这种“电阻分压超线性电路”的好处是可通过改变R5、R6取得最佳帘栅动态负反馈电压,使超线性电路的性能达到最优。还降低了输出牛的绕制难度(原理详见本刊2004年第12期的有关内容)。由于输出牛绕制难度低,因此本机的输出牛达到了较高的性能,加负载频响可达120kHz以上,为功放整机的高水准奠定了坚实的基础。
功放电路采用自给偏压方式。ELl56阴极串有稳压管DWl与电阻Rn。DWl产生20V左右的稳定阴极电压,使ELl56有一合适的栅负压工作点。RD仅为47Ω,但不可省略,它有稳定工作点与信号负反馈作用,可比较有效地减小功放级失真。
通常,功放级阴极电压是通过阴极电阻并联电容方式实现的。这是传统的做法,但电容需要充分大才能保证功放级的低频下限。HiFi功放低频下限低至10Hz以下,相应并联电容将达数百μF至数千μF。这实际上只能采用电解电容,而电解电容品质较差,高、低频性能都不良,对功放信号的质量损害严重。
稳压二极管(DWl)是当前广泛应用的稳压器件。低频响应到直流(0Hz),高频响应数百kHz,性能优良,比起电解电容好多了。
不过,DWl没有直流稳定作用,所以必须串接Rn以稳定ELl56的直流工作点。
功放级的栅极接有Rb、Cb高频提升电路,以弥补输出牛对高频分量的损耗。虽然这些高频分量已超出人耳的听觉范围,但重放中包含这部分高频分量将造就更为真实与自然的感觉。对高频分量的提升,可使放大器整体响应宽广、平坦,达到Hi_Fi的高性能。这是从全局考虑问题的方法,也是胆机克服输出牛频晌不足的有效办法。运用此法,胆机频响足可与晶体管机匹敌,达到80kHz以上,而音色上也更胜一筹。
高品质功放对电源电路必须充分重视。实际上,在放大电路已日臻完美的情况下,电源电路的每一步提升都将使放大器音质显著提高。本机的电源电路采用了场效应管电子滤波、电子稳压电路,比传统的滤波电路更好,在性能方面是传统电路无可比拟的.其供给功放电路的电源达到甚至超过对前级放大的要求,接近理想电源的水准。采用场效应管还有一个特色,那就是场效应管工作时产生的偶次谐波对整机音质似有美化作用,发声显得柔和、甜美。
灯丝电压采用交流供电,以获得更好的音质。为克服可能产生的交流声,在灯丝电路中接有平衡电位器Wl,调节wl可消除交流声。
在电路图中,个别元件没有给出具体数值,这些元件选择不同数值与品种对音质、音色有明显改变,但不影响电路的工作状态。我们期待读者动手、动脑选择,调出最佳音质,以便切磋交流。

二、元器件的选用与制作
传统胆机基于当时的元器件形式,制作工艺仅仅只是“搭棚焊接”方式。这种电路工艺是成熟的,适合当时的元器件水平。而如今,电路工艺早已发展到印刷电路,元器件水平有了质的提高,小体积、大容量元件相当普及,为印刷电路广泛应用铺平了道路。比起“搭棚焊接”,印刷电路可以说是更先进的电路工艺形式,不仅效率高,对复杂精密的电子电路而言也更容易实现。由于采用电脑布线,印刷电路可以轻易实现两点间最短连线以及理想的一点接地形式。对讲究布线的Hi—Fi放大器制作而言,采用印刷电路更为理想。
本机采用2mm双面镀金印刷电路,不仅完成了电路的理想布线,而且镀金线路还确保了连线的高品质,使信号在电路中畅行。在结构上,本机与传统胆机有所不同。它采用“上翻盖”形式,电源牛、输出牛、印刷电路和接插件均安装在底盒内。整机重心下移,更为平稳,符合音响发烧的追求。制作时,焊好印刷电路就完成了所有电路连接。将印刷板安装在底盒内,并将少量连线与电源牛、输出牛连接。调试完毕后所有制作便全部结束,无需像传统胆机那样翻过来、倒过去地进行安装、焊接、调试,非常辛苦。合上铝合金成型的上盖板,一台美观、漂亮的高质量胆机就呈现在我们面前。本机的结构形式非常适合爱好者DIY胆机。
电阻全部选用金属膜电阻,以确保整机的静噪背景。其中R5、R6为3W,其余为l/2 W。R3发热较大,采用6W小型线绕电阻,便于在印刷电路板上直接焊接。
音量控制RW由于处于信号输入端,因此采用了日本ALPS高档方形电位器,不仅使整机信噪比有保证,而且使双声道的音量控制保持高度同步,不会因音量改变而发生音场定位的漂移。ALPS电位器同步性极佳,许多电位器根本无法与之相比。 半可调Wk、Ws采用高品质有机实心电位器。Wl则选用精密微调电位器,以准确平衡交流声,从而令本机残余交流噪声的抑制可与晶体管机媲美。
整流管采用BY波封高频管,有利于减小电源噪声。
电容的选择对音质影响较大,比较考究。Cl、C2需采用CBB电容,C05、CF采用瓷介电容,C04采用进口CBB电容。电源滤波电容则采用进口(红宝石)大容量电解电容。
三、调试与音质调整
本机一般焊接装配无误即可正常发声,但要取得最佳工作状态则需作简单调整。调节wk,使Tl五极胆屏压为165V,此时6F1前级放大输出可达±100V,充分满足后级功率胆±20V推动电压的要求。由于前级输出裕量远大于推动要求,因此即使w。不作调整也可正常工作,不过调整到位更好。
用数字万用表接入输出端,拨在200mV档。调整Wl,使交流声消失,左右声道分别反复调整。通常指示在lmV以下,交流声就基本听不到了,可认为已达到较好的程度。
本机是在笔者以前介绍过的A23I.156J基础上改进而来的,工作原理相同,只是前级放大改用了胆管。它既有300B胆机的清纯,又有EL34胆机的飘逸,也不失KT88胆机的力道。看来ELl56胆是一个汲取精华的集大成者,尽显西欧众名胆之风范。该胆风韵再现也向世人证明了中国曙光电子管厂的造胆实力。
一般不提倡DIY者对本机更换元件来进行摩机。不过,音响爱好者的口味各不相同,对音质的每一点改进又孜孜以求。因此,本机允许改变个别关键元件,以调整音质的风格与走向。
电位器Rs中点向上滑动,音质趋于柔和;向下滑动则解析力增加。标准情况下中点对地为90f)。
c1改用德国威马(0.22μF/630V)电容则音色更为润泽、明亮,立体定位更清晰,感觉声音自然、真实,高音圆润而不尖锐。若改用日本的尼斯康(Nitsuko)电容(1μF/250V)则声音转为温暖、柔和。若改用金属化纸介电容(0.22μF/160V)则感觉声音甜美度增加。比较起来,采用德国威马(粉红色)电容时音质改善效果最大。C04原设计采用我国台湾产的HTC CBB电容,特点是音色自然、温暖,透明度不错。改用德国威马(0.22μF/630V)电容后音色清澈,并具有润泽、真挚感。C2改用德国威马电容(0.22μF/630V)后音色透明度提升,似万里无云。
一般来说,改用名牌电容后音色都会有些变化,但能否适合个人口味则难说,要凭自己的感觉与音响欣赏水平而定。这是因为,音响欣赏本身就带有浓重的个性化色彩,音色的调整就是在优良音质的基础上体现某种风格与品味。这也许就是音响DIY者所独享的乐趣吧! 本机输出功率为22W×2,频响为1 8Hz~60kHz,失真小于O.8%,负载阻抗为4~8Ω。可搭配英国品牌的AE音箱,非常适合音乐欣赏使用。